Einbohrband WERK14


05.162.03



Einbohrband WERK14
05.162.03
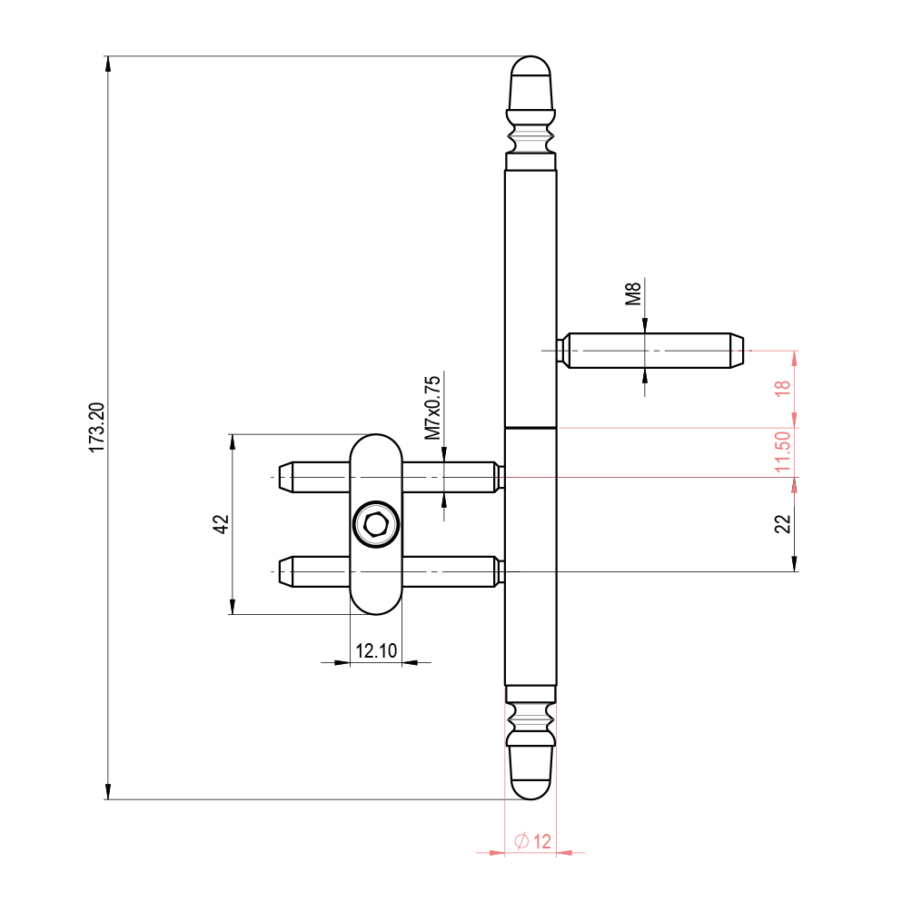
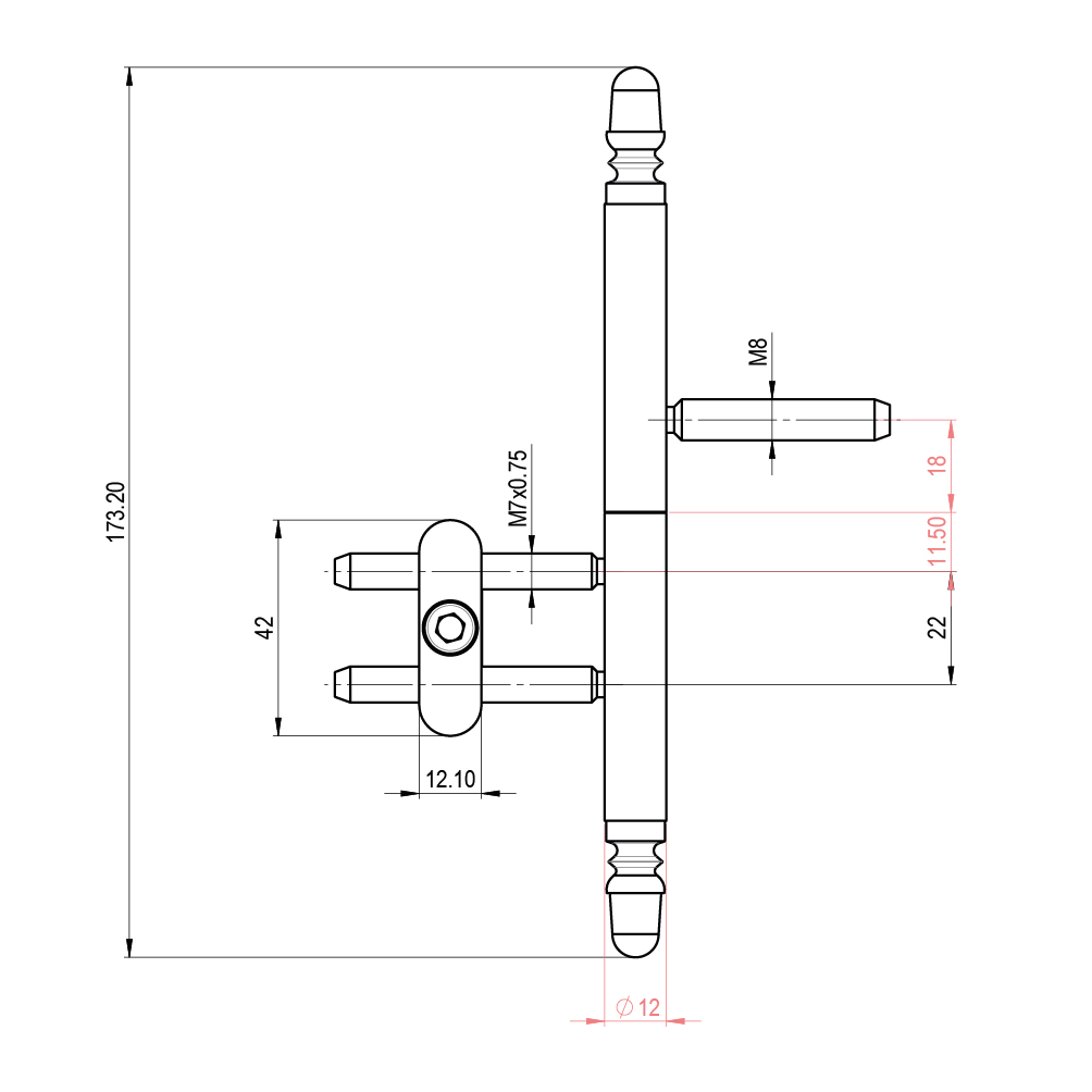
Stahl blank, 2-D verstellbar (Andruck und seitwärts), die Drehteile werden aus einem Stück gefertigt, dadurch entfallen Gewindeverbindungen oder Aufsteckhülsen, die M7 x 0,75 mm Gewindebolzen werden mit der exakt gleichen Steigung wie der Klemmblock gedreht, dadurch kann beim Einbau in kleineren Schritten feinjustiert werden, die Drehbewegung findet auf den Ringflächen der Hülse und des Dorns statt, die Flächen können ohne Ausbau geschmiert werden, es entsteht eine hohe Auflagefläche, Test intern werk14, angelehnt an RAL-Testverfahren mit einem Dauertest von 15000 Zyklen, Test mit 100 kg Zusatzlast und ein Falzhindernistest wurde erfüllt, beim Einsatz von zwei Einbohrbändern empfehlen wir ein maximales Flügelgewicht von 40 kg, bei einer maximalen Flügelbreite von 1000 mm, wird ein Wert überschritten empfehlen wir den Einsatz von 3 Bändern,
bestehend aus:
- Scharnierhülse komplett mit 1 Bolzen M8 angeschweisst,
- 1 Scharnierdorn komplett mit 2 Bolzen M7 angeschweisst,
- 1 Klemmbock V3604 nachgearbeitet
- Zier-Einbohrband bombiert siehe 05.162.10-13
- Stahl mit Universalhartöl, mit Klarlack matt, NCS / RAL lackiert oder andere Oberflächen auf Anfrage.
Preis per 1 ST | Pack ST
- Ausführung
- Eichel
- Brandschutznorm
- ungeprüft
- Flügelbolzen Ø
- 8 mm
- Flügelgewicht max.
- 40 kg
- Höhe
- 173 mm
- Kopfform
- Eichel
- Marke
- werk14
- Material
- Stahl
- Oberfläche
- blank
- Produktart
- Einbohrband
- Rahmenbolzen-Ø
- 7 mm
- Rollen-Ø
- 12 mm

