Panik-Magnet-Einsteckschloss GLUTZ 24110, mit Fallenblockierung, mit Delrin-Magnetfalle, Panik E, mit Rundstulp 18 x 230 mm, Edelstahl matt


17.107.53



Panik-Magnet-Einsteckschloss GLUTZ 24110, mit Fallenblockierung, mit Delrin-Magnetfalle, Panik E, mit Rundstulp 18 x 230 mm, Edelstahl matt
17.107.53
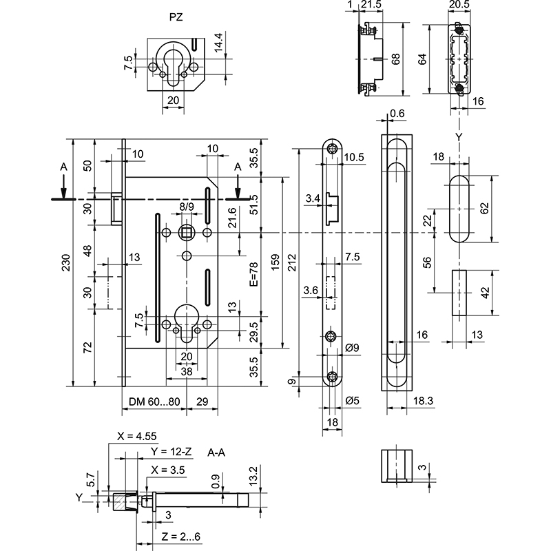
Panik-Magnet-Einsteckschloss mit verstellbarem Magnetfallenhalter, automatischer Fallenblockierung und Panik E Funktion, für alle Vollblatt-Innentüren - gefälzt wie stumpf, als komplettes Set für Stahlzargen oder in Kombination mit GLUTZ Flachschliessblech 22820 für Holzrahmen, die Technologie der Delrin-Magnetfalle bietet mehrere Vorteile, durch die flächenbündige Falle im Stulp entsteht ein elegantes Türblattdesign, es können formschlüssige Flachschliessbleche ohne Lappen eingesetzt werden und Kratzer / Farbschäden an Türrahmen gehören der Vergangenheit an, die Reinigung wird vereinfacht, da keine Ansammlungen von Schmutz und Fett entstehen können, das Gesamtsystem ist sehr leise durch die spezielle Dämpfung der Delrin-Magnetfalle und die perfekte Einstellbarkeit der Tiefe der Magnete, weiter ist eine schwache Einstellung des Türschliessers möglich, da die Delrin-Magnetfalle keinen Widerstand beim Einlauf verursacht, ohne Schliessblech
- Schliessbleche siehe 15.184.41
- Wird das Schloss als Notausgangsverschluss eingesetzt, muss die Version mit Zwangsnuss 9 mm verwendet werden. Bei der Verwendung als Notausgangsverschluss sind keine Reduktionshülsen für die Schlossnuss / Dorn zugelassen.
Preis per 1 ST | Pack 2 ST
- Anschlagsrichtung
- DIN rechts
- Anzahl Flügel
- 1-flüglig
- Ausschnitt
- Profilzylinder mit Wechsel
- Bedienung
- Drückerbedient
- Brandschutznorm
- geprüft
- Distanz
- 78 mm
- Dornmass
- 60 mm
- Fabriknummer
- 24110.7
- Fallenfunktion
- Magnetfalle, Fallenblockierung
- Fluchtwegnorm
- SN EN 179 / 1125
- Funktion
- mechanisch
- Marke
- Glutz
- Material
- Edelstahl, Stahl
- Nuss
- 8
- Oberfläche Stulp
- Edelstahl matt
- Panikfunktion
- E
- Produktart
- Panik-Mehrpunkteverriegelung
- Stulpart
- Rund
- Stulpbreite
- 18 mm
- Stulplänge
- 230 mm
- Stulpstärke
- 3 mm
- Türart
- Holz
- Verriegelung
- Manuell




