Fensterdichtung DEVENTER SP 6799



25.007.21-26



prev
next

Fensterdichtung DEVENTER SP 6799
25.007.
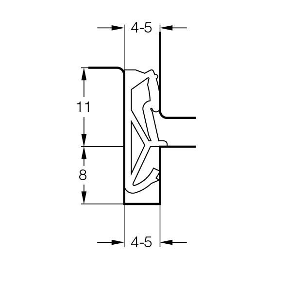
TPS-Qualität, thermoplastisches Elastomer Schaum, als Flügelfalzdichtung einsetzbar, Anschlagluft 5 mm
- ¦ = Verkauf nur in ganzen Packungen.

- Anschlagluft
- 5 mm
- Falzbreite
- 11 mm
- Material
- TPS
- Nutbreite
- 4,5 mm
- Nuttiefe
- 8 mm
- Produktart
- Rahmendichtung
- Typ
- SP 6799
