Panik-Mehrpunktverriegelung GLUTZ MINT 18972HZ SV ELK BK


17.110.41-47


prev
next

Panik-Mehrpunktverriegelung GLUTZ MINT 18972HZ SV ELK BK
17.110.
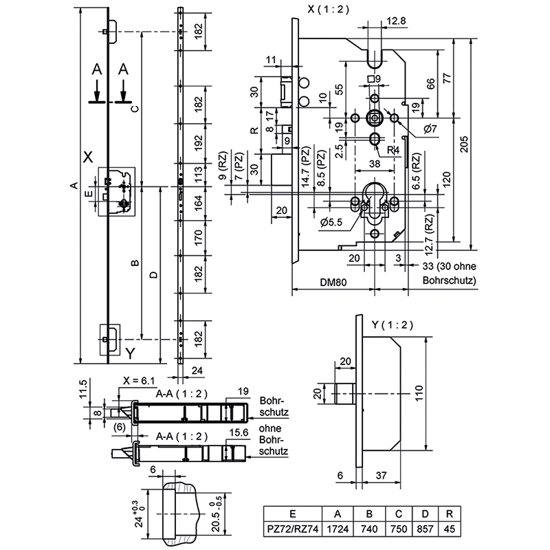
Mehrfachverriegelung mit U-Stulp, Rückmeldekontakten, integrierter Selbstverriegelung, Fallenblockierung und Ablaufsteuerung, Anwendungen mit gesteuerter Drückerbedienung bei unterschiedlichen Zutrittsanforderungen v.a. bei Museen, Banken, Schulen, Universitäten & Gefängnissen mit Hochsicherheitstüren, Drücker L / R können elektrisch getrennt, wahlweise dauerhaft ein- oder ausgekuppelt werden, Zu- und Austritt erfolgt über ein Identifikationssystem (z.B. Badge), über den gehaltenen Zylinder werden beide Drücker gleichzeitig temporär (Notöffnung) ein- oder ausgekuppelt ohne Kabel, ohne Zubehör
- Die Umstellung bieten wir Ihnen in unserer Schlosserei an unter 00.112.45, bitte Fragen Sie uns an.
- Ausschliesslich Panik Vierkantstift 5920 17.190.11-17 verwenden.
- Für die Umstellung der Komfortfalle / Panikseite wird ein Drehmomentschlüssel benötigt siehe 95.561.22
- Zylinderschraube ist nicht mittig vom Stulp. Zur Ermittlung der Zylinderlängen: Mitte Stulp = Mitte Schlosszylinder.
- Keine Reduktionshülsen für die Schlossnuss/Dorn zugelassen.
- Die Drücker müssen auf Schilder/Rosetten drehbar-fest gelagert sein (easyfix®).
- Manipulationsschutz-Set 17.121.95 ist zwingend zu verwenden.
- Panikseite ist ein- oder auswärts umstellbar.
- Komfortfalle DIN rechts voreingestellt / auf links umstellbar.

- Marke
- Glutz
- Distanz
- 74 mm
- Distanz
- 72 mm
- Anschlagsrichtung
- DIN umstellbar
- Nuss
- 9
- Stulpbreite
- 24 mm
- Stulpart
- U-Stulp
- Stulpstärke
- 6 mm
- Anzahl Flügel
- 1-flüglig
- Verriegelung
- Selbstverriegelung (SV)
- Brandschutznorm
- geprüft
- Widerstandsklasse
- ES3 / RC4
- Türart
- Holz, Rohrramen
- Bedienung
- Drückerbedient
- Überwachung
- ja
- Betriebsspannung
- 12, 24 ±
- Touren
- 1-tourig
- Riegelvorschub
- 20 mm
- Material
- Edelstahl, Stahl
- Fallenfunktion
- Fallenblockierung
- System
- MINT-HZ-lock
- Funktion
- mechatronisch
- Ausführung
- DIN umstellbar




















