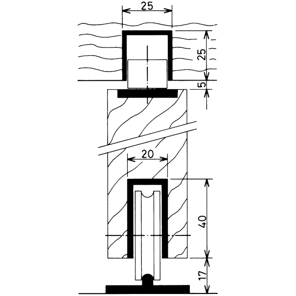
Schiebetor-Laufrolle G-U


21.330.02


prev
next

Schiebetor-Laufrolle G-U
21.330.
Gehäuse Aluminium farblos eloxiert, Kunststoffrolle mit Kugellagertechnik
- Führungsrolle siehe 21.332.
- Laufschiene 27.120. gebohrt für Schrauben SK Ø 5 mm.

- Material
- Aluminium
- Oberfläche
- farblos eloxiert F1
- Produktart
- Rolle
- Marke
- G-U
- Breite
- 20 mm
- Rollen-Ø
- 45 mm
- Tragkraft
- 60 kg
- Plattengrösse
- 75 x 40 mm



