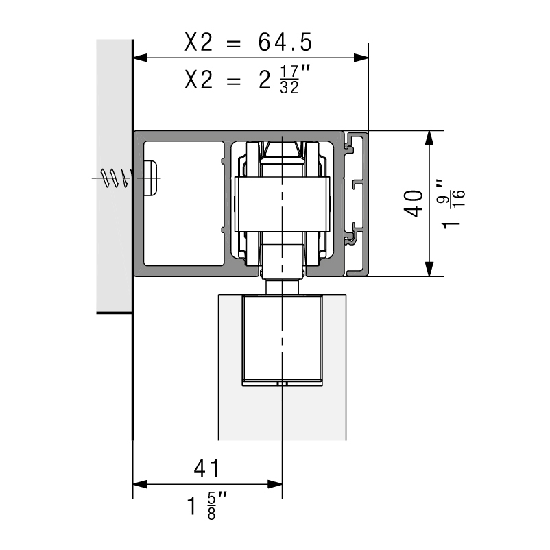
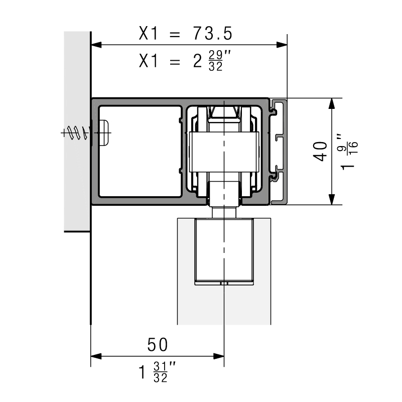
Laufschiene HAWA, Distanzerweiterung, Junior 80/100





21.110.20-73





prev
next

Laufschiene HAWA, Distanzerweiterung, Junior 80/100
21.110.
Aluminium eloxiert, gelocht
- Clip-Teil siehe 21.005.17
- Clipblende siehe 21.106.10-56
- Clipblende siehe 21.106.20-76
- Blendenendstück-Set siehe 21.103.70+71

- Marke
- Hawa
- Oberfläche
- farblos eloxiert F1
- System
- Junior 80
- Produktart
- Laufschiene




