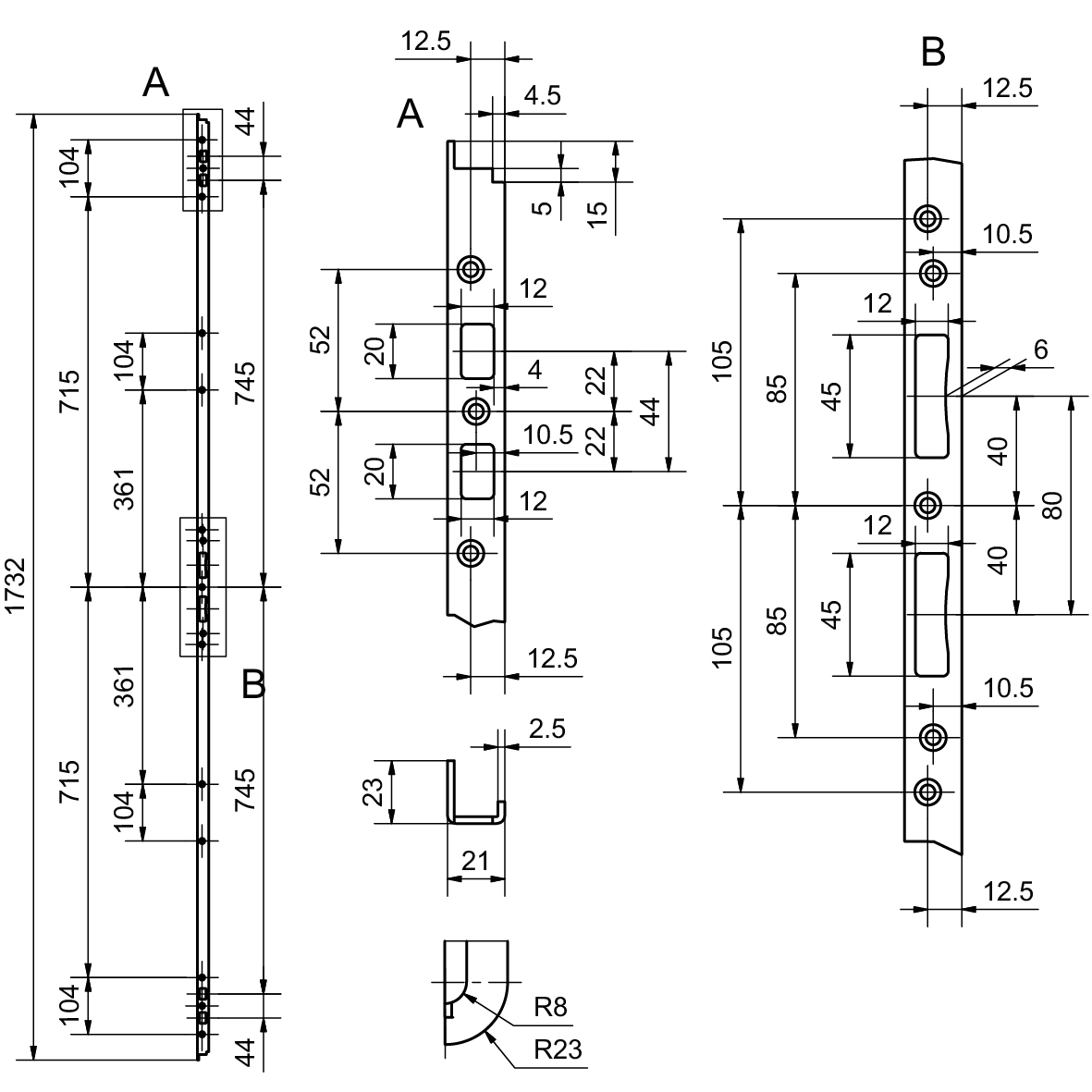
Einfrässchliessleiste GLUTZ B-1140, zu Mehrpunktverriegelung MINT 1893


14.073.26


prev
next

Einfrässchliessleiste GLUTZ B-1140, zu Mehrpunktverriegelung MINT 1893
14.073.
Stahl verzinkt, mit Ausschnitt für Riegel und Falle, sowie für Riegelbolzen oben und unten von Mehrpunktverriegelungen Mint 1893, universal DIN rechts und DIN links verwendbar, ohne Schrauben
- Mehrpunktverriegelung Mint 1893 siehe 14.020. bis 14.021.
- Einfräslehre siehe 99.052.
- Fräser für Einfräslehre siehe 88.664.
- Schrauben SK Ø 4 mm.

- Anschlagsrichtung
- DIN universal
- verwendbar
- universal
- Material
- Stahl
- Länge
- 1732 mm
- Breite
- 21 mm
- Oberfläche
- verzinkt
- Tiefe
- 23 mm
- Stärke
- 2,5 mm
- Stegbreite
- 6 mm
- Marke
- Glutz
- Produktart
- Schliessleiste
- Brandschutz
- ungeprüft
- Fabriknummer
- B-1140



