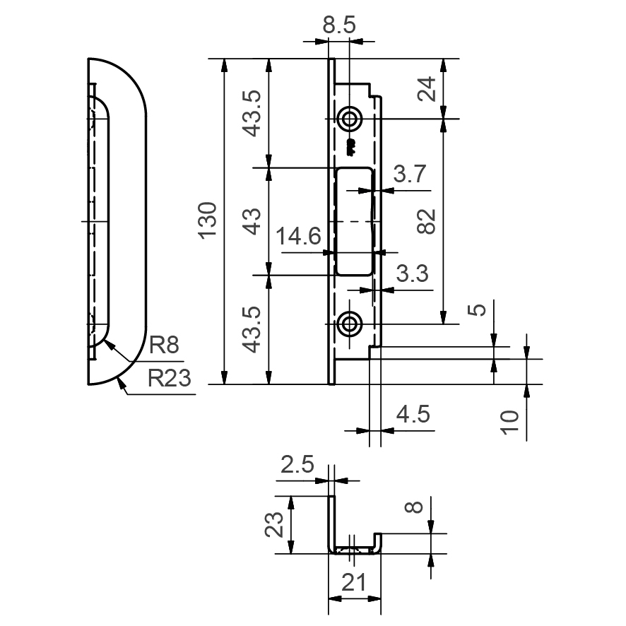
Fallenschliessblech zum Einfräsen GLUTZ B-22610


15.184.21


prev
next

Fallenschliessblech zum Einfräsen GLUTZ B-22610
15.184.
Edelstahl matt, mit Ausschnitt für Falle, universal DIN rechts und DIN links verwendbar, ohne Schrauben
- Mehrpunktverriegelung siehe 14.002. bis 14.018.
- Einsteckschloss siehe 15.005. bis 15.108.
- Fräser siehe 88.664.

- Anschlagsrichtung
- DIN universal
- verwendbar
- universal
- Material
- Edelstahl matt
- Länge
- 130 mm
- Breite
- 21 mm
- Oberfläche
- Edelstahl matt
- Tiefe
- 23 mm
- Stärke
- 2,5 mm
- Stegbreite
- 3,7 mm
- Marke
- Glutz
- Produktart
- Abdeckkappe
- Brandschutz
- ungeprüft
- Fabriknummer
- B-22610

