Schutzbeschlag Aussenschild GLUTZ 58614, ES3



Ausführung RZ ZA



prev
next

Schutzbeschlag Aussenschild GLUTZ 58614, ES3
18.748.
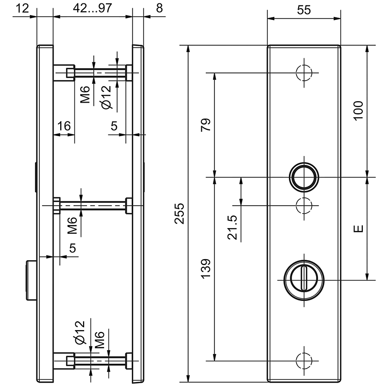
Oberfläche Edelstahl matt, mit 3 Gewindenocken, für paarweise Verschraubung mit Innenschild 58610, einsetzbar an einbruchhemmenden Türen RC4 / ES3, kombinierbar mit allen Glutz Drücker mit Hals-Ø 18 - 22mm oder mit Oval-Stanzung für Knopffestmontage, geprüft nach EN 1627-1630, mit Zylinderabdeckung RZ-ZA 9-15 mm / PZ-ZA 9-16 mm, ohne Schraubenset
- FEHO: Federhochhaltung für Vierkant 9 mm zur Sicherstellung der Drückerposition.
- ZA: Schlüssellochung mit Ausschnitt für Zylinderabdeckung.
- Nach EN 1627-1630 wird ab RC2 ein Ziehschutz bei Schild oder Zylinder verlangt.
- Schraubenset 59200 muss separat dazu bestellt werden.

- Marke
- Glutz
- Produktart
- Langschild
- Form
- eckig
- Ausführung
- Zylinderabdeckung vorgerichtet
- Länge
- 255 mm
- Breite
- 55 mm
- Ansatz
- 16 mm
- Widerstandsklasse
- ES3 / RC4
- Promotion
- Neuheit
- Oberfläche
- matt
- Material
- Edelstahl




