Haustürband ANUBA Duplex 321 für Überschlag



10.161.15-16 Abbildung = rechts



prev
next

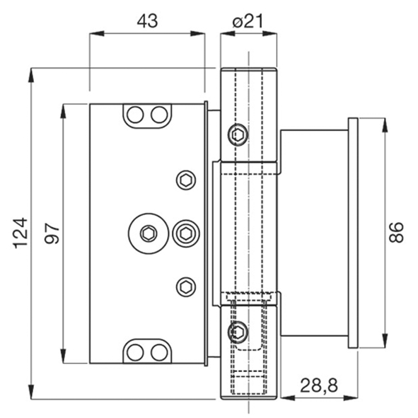
Haustürband ANUBA Duplex 321 für Überschlag
10.161.
Bandtasche Zinkdruckguss, Bandrolle und Achsstift Edelstahl, Bandlappen Stahl, mit Delrinlager und Aushängsicherung, höhenverstellbar - 2 bis + 4 mm, seitenverstellbar ± 2,5 mm, Andruck - 1 bis + 3 mm, ohne Aushängen des Türflügels, Tragkraft bei: 2 Band ca. 110 Kilo, 3 Band ca. 130 Kilo, 4 Band ca. 160 Kilo
- Anschlagwerkzeuge siehe 99.141.
- Geeignet für Brandschutzklasse T30.

- Brandschutznorm
- geprüft
- Marke
- Anuba
- Produktart
- Haustürband
- Rollen-Ø
- 21 mm
- Bandhöhe
- 124 mm
- Überschlag
- 15 mm
- Flügelgewicht max.
- 160 kg
- Modell
- DUPLEX 321
- Material
- Edelstahl
- Oberfläche
- matt
- Grosspackung
- 30





