Objektband BASYS OBJECTA® 2039






10.462.13-23






prev
next

Objektband BASYS OBJECTA® 2039
10.462.
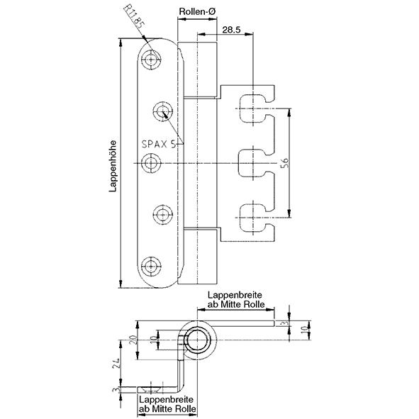
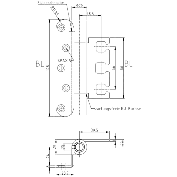
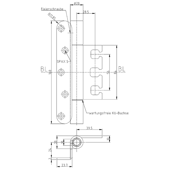
Edelstahl gebürstet, für überfälzte Türen, wartungsfrei, mit Stiftsicherung, eingebaut demontierbar, Lappendicke 3 mm, zur Verwendung an Türen in Flucht- und Rettungswegen mit Anforderungen an den Rauch- und Brandschutz, Tragkraft, Lappenhöhe 120 mm, bei 2 Band ca. 100 Kilo, Tragkraft, Lappenhöhe 160 mm, bei 2 Band ca. 120 Kilo
- Bandtaschen 3-D siehe 10.480.
- Schrauben SK Ø 5 mm.

- Marke
- BaSys
- Produktart
- Objektband
- Falzart
- überfälzt
- Fluchtwegnorm
- geeignet für Fluchtweg
- Brandschutznorm
- geprüft
- Rollen-Ø
- 20 mm
- Lappenbreiten ab Mitte Rolle
- 30,7 / 39,5 mm
- Modell
- Objecta
- Material
- Edelstahl
- Oberfläche
- gebürstet












