Objektband BASYS OBJECTA® 2092









10.450.05-08









prev
next

Objektband BASYS OBJECTA® 2092
10.450.
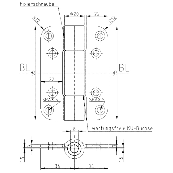
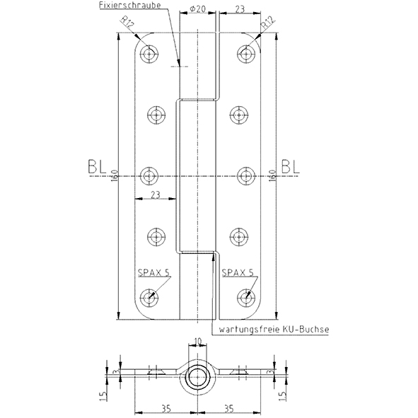
Edelstahl gebürstet, für stumpf einschlagende und gefälzte flächenbündig einschlagende Türen mit geringer Falztiefe, wartungsfrei, mit Stiftsicherung, eingebaut demontierbar, Lappendicke 3 mm, Anschlagluft 3 mm, Tragkraft, Lappenhöhe 95 mm, bei 2 Band ca. 80 Kilo, Tragkraft, Lappenhöhe 120 mm, bei 2 Band ca. 100 Kilo, Tragkraft, Lappenhöhe 160 mm, bei 2 Band ca. 120 Kilo
- Schrauben SK Ø 5 mm.
- Weitere Oberflächen auf Anfrage.

- Brandschutznorm
- geprüft
- Marke
- BaSys
- Produktart
- Objektband
- Rollen-Ø
- 20 mm
- Modell
- Objecta
- Material
- Edelstahl
- Oberfläche
- gebürstet




