Objektband SIMONSWERK VARIANT VX 7939 / 160 FD



Oberfläche schwarz



prev
next

Objektband SIMONSWERK VARIANT VX 7939 / 160 FD
10.368.
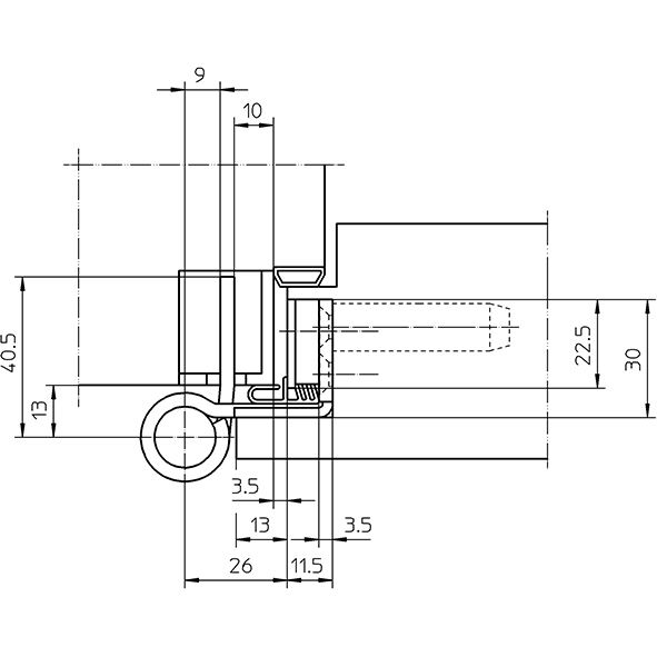
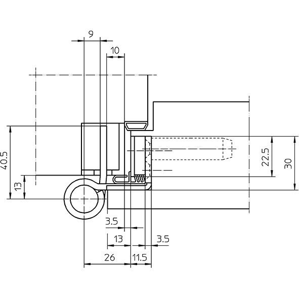
Schwarz matt RAL 9005, für gefälzte Schallschutztüren mit durchgehender Flügeldichtung an Holz-, Stahl- und Aluminiumzargen, innenliegender, verdrehsicherer Schraubstift, verdeckt liegende, wartungsfreie Axial-Radial-Gleitlager, Materialstärke 3,5 mm, Anschlagluft 3,5 mm, geeignet zur Anwendung an Feuer- und Rauchschutztüren nach EN 1634-1, vorgerichtet für 3D-Aufnahmeelement VX, ohne Aufnahmeelement, Tragkraft bei 2 Band ca. 200 Kilo, ohne Schrauben für Abdeckplatte
- Universal-Fräsrahmen siehe 99.150.
- Fräser-Ø 24 mm.
- Frässchablone ab Werk.
- Die Tragkraft bezieht sich auf eine Türgrösse von 1000 x 2000 mm mit 2 Band.

- Falzart
- gefälzt
- Marke
- Simonswerk
- Produktart
- Objektband
- Rollen-Ø
- 22,5 mm
- Lappenhöhe
- 160 mm
- Flügelgewicht max.
- 200 kg
- Modell
- Variant VX
- Material
- Stahl
- Oberfläche
- tiefschwarz RAL 9005
- Fabriknummer
- 5 050854 0 04002








