Objektband SIMONSWERK VARIANT VX 7939/160 S WK MSTS FD, Edelstahl matt



10.368.38



prev
next

Objektband SIMONSWERK VARIANT VX 7939/160 S WK MSTS FD, Edelstahl matt
10.368.
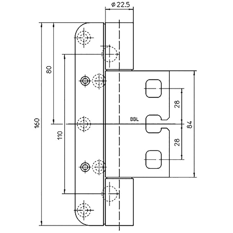
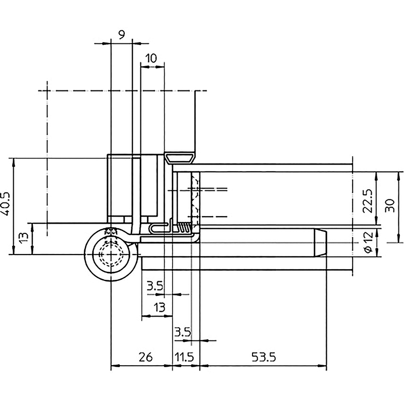
Edelstahl matt, mit Stiftsicherung und 2 angeschweissten Sicherungszapfen, für gefälzte, einbruchhemmende Schallschutztüren mit Widerstandsklassen an Holz-, Stahl- und Aluminiumzargen, innenliegender,mit Aufnahmenut für durchegehende Flügeldichtung,innenliegender verdrehsicherer Schraubstift, verdeckt liegende, wartungsfreie Axial-Radial-Gleitlager, geeignet zur Anwendung an Feuer- und Rauchschutztüren nach EN 1634-1, vorgerichtet für 3D-Aufnahmeelement VX, Tragkraft bei 2 Band 200 kg
- Aufnahmeelement VX siehe 10.378.
- Schrauben SK Ø 5 x 50 mm siehe 69.010.60
- Universal-Fräsrahmen siehe 99.150.
- Frässchablone ab Werk erhältich Fräser-Ø 24 mm.
- Die Tragkraft bezieht sich auf eine Türgrösse von 1000 x 2000 mm mit 2 Band.

- Brandschutznorm
- geprüft
- Falzart
- gefälzt
- Marke
- Simonswerk
- Produktart
- Objektband
- Rollen-Ø
- 22,5 mm
- Lappenhöhe
- 160 mm
- Lappendicke
- 3,5 mm
- Flügelgewicht max.
- 200 kg
- Modell
- Variant VX
- Material
- Edelstahl
- Oberfläche
- matt
- Fabriknummer
- 5 050906 0 04002









