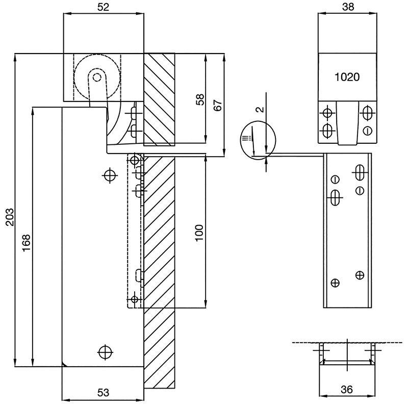
Türanschlagdämpfer Dictator VS 2000


13.225.21


prev
next
Türanschlagdämpfer Dictator VS 2000
13.225.
Schwarz RAL9005, bremst die zufallende Türe progressiv sanft ab, schliesst die Türe lautlos und hält die Türe sicher geschlossen. Mit unsichtbarer Befestigung, mit Kloben 1009, Montageanleitung, Schrauben und 3 Unterlagplättchen, jeweils 1 Stück 2 mm, 3 mm und 10 mm
- Türschliesser Fridavo 15 siehe 13.220.
- System
- Dictator
- Montage
- Türblattmontage
- Funktionsbereich
- Standard
- Produktart
- Türdämpfung
- Oberfläche
- Tiefschwarz RAL 9005
- Kraft
- 50 N
- mit Kloben
- 1020
- Überschlag
- bis +15 mm
- Promotion
- Neuheit

