Halbzylinder KESO 6000FP2, 61.J12


18.618.01-11


prev
next

Halbzylinder KESO 6000FP2, 61.J12
18.618.
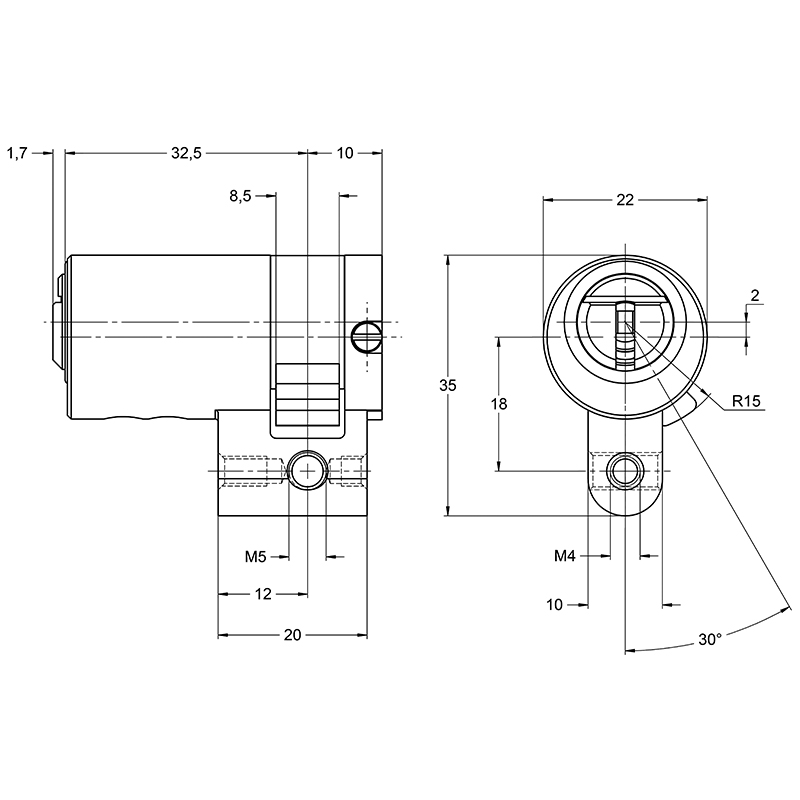
matt vernickelt, verschiedenschliessend, mit je 5 Schlüssel, mit Befestigungsschraube 75 mm (für Dornmasse 60 + 70 mm), Patentschutz garantiert, dass nur Original KESO 6000FP2 Schlüssel die Zylinder öffnen können, Investitionsschutz mit Patentlaufzeit bis 2036, modulares Baukastensystem Zylinderkonstruktion modularen Baukasten mit Insert-System, das System eignet sich zur Kombination mit elektronischen Schliess- und Zutrittssystemen oder Badge-Systeme
- Keso 6000FP2, registriert, mit je 5 Schlüssel: Mit kurzer Lieferfrist sind zusätzliche Schlüssel lieferbar.
- Kurzfristig sind auch Schliessanlagen oder gleichschliessende Zylinder erhältlich
- Befestigungsschraube in anderen Längen siehe 67.066.58-75

- Marke
- Keso
- Material
- Messing
- Oberfläche
- vernickelt matt
- Produktart
- Halbzylinder
- Schliessung
- verschiedenschliessend
- System
- KESO 6000FP2
- Zylinderprofil
- RZ
- Anzahl Schlüssel
- 5 Stück
