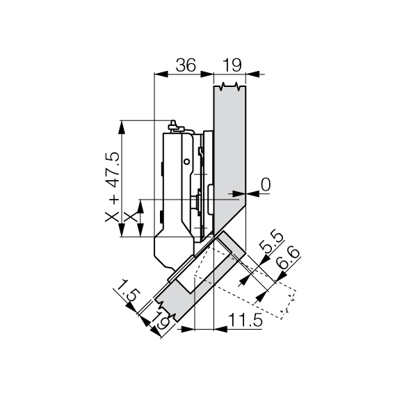
Charnière invisible GRASS® Tiomos 110° Click-on, pour corps biseautés à +45°, gabarit de perçage 45 / 9,5









Illustration avec caches protecteurs pour bras de charnière
et boîtier de charnière. A commander séparément.









prev
next

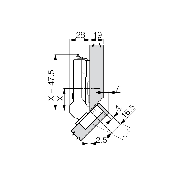
Charnière invisible GRASS® Tiomos 110° Click-on, pour corps biseautés à +45°, gabarit de perçage 45 / 9,5
44.015.
Acier nickelé, boîtier à visser, technologie d'amortisseur invisible intégrée dans le bras de charnière et réglage possible sans outil de trois niveaux de puissance, réglage en hauteur ± 2,5 mm, réglage en profondeur + 3 / - 2 mm, réglage latéral ± 2 mm, sans caches protecteurs, sans plaque de base

- Marque
- Grass
- Type de produit
- Charnière angulaire
- Angle d'ouverture
- 110°
- Gabarit de perçage
- 45 / 9,5
- Type de montage
- A visser
- Ressort
- avec
- Gamme de produits
- Tiomos
- Matériau
- Acier
- Finition
- nickelé















