Pièce de dormant SIMONSWERK V 3400 WF HV Stop


10.122.17


prev
next

Pièce de dormant SIMONSWERK V 3400 WF HV Stop
10.122.
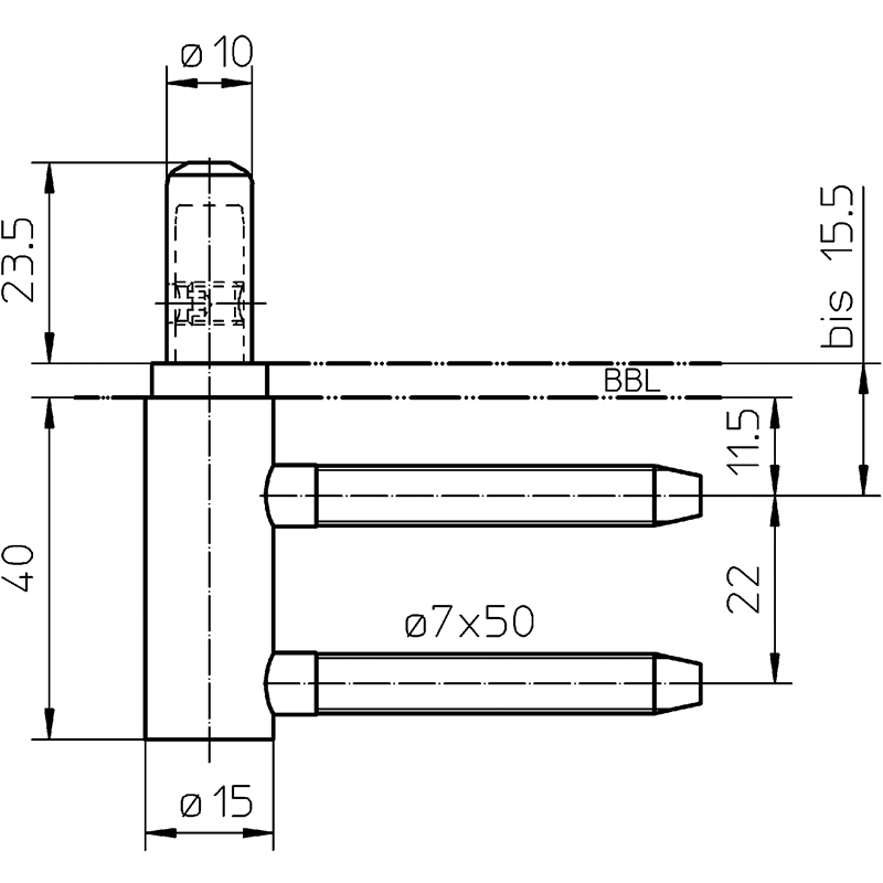
nickelé, avec technique de palier lisse sans entretien, réglage en hauteur de 4 mm et fonction de freinage contre la fermeture ou l'ouverture des portes, pour portes à feuillure et sans feuillure sur huisserie en bois, roulettes Ø 15 mm
- Pièce d'ouvrant, voir 10.122.

- Marque
- Simonswerk
- Type de produit
- Pièce de dormant
- Matériau
- Acier
- Ø de rouleau
- 15 mm
- Hauteur
- 40 mm
- Ø de boulons à cadre
- 7 mm
- Boulon de cadre
- 50 mm
- Type de pliage
- plié, non pliè
- Modèle
- Variant WF



