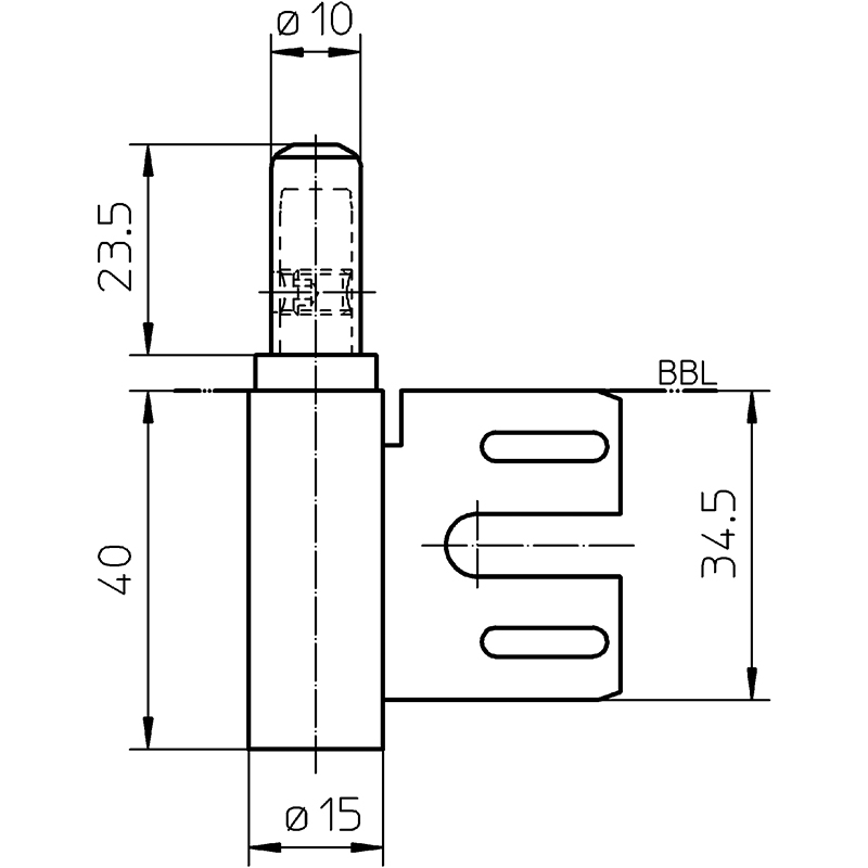
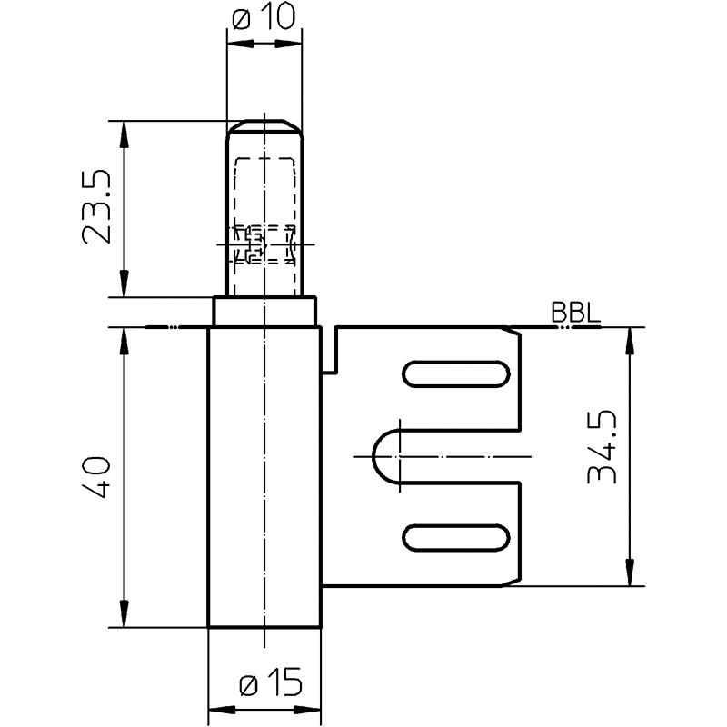
Pièce de dormant SIMONSWERK V 8100 WF HV Stop


10.122.21


prev
next

Pièce de dormant SIMONSWERK V 8100 WF HV Stop
10.122.
nickelé, avec technique de palier lisse sans entretien, réglage en hauteur de 4 mm et fonction de freinage contre la fermeture ou l'ouverture des portes, pour portes à feuillure et sans feuillure sur huisserie en acier, roulettes Ø 15 mm
- Pièce d'ouvrant, voir 10.122.

- Marque
- Simonswerk
- Type de produit
- Pièce de dormant
- Matériau
- Acier
- Finition
- nickelé
- Ø de rouleau
- 15 mm
- Hauteur
- 40 mm
- Hauteur de platine
- 34,5 mm
- Largeur de platine
- 26,5 mm
- Type de pliage
- plié, non pliè
- Modèle
- Variant WF
- Numéro d'usine
- 5 011211 0 01507



