Bande pour objets BASYS OBJECTA® 2541



10.468.51



prev
next

Bande pour objets BASYS OBJECTA® 2541
10.468.
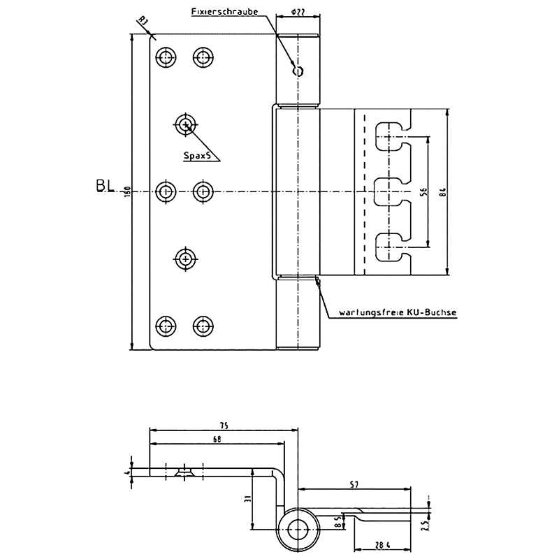
Acier inoxydable brossé, pour portes à fleur, sans entretien, avec sécurité à goupille, démontable une fois monté, épaisseur des pattes 4 mm, pour utilisation sur portes dans les issues de secours avec exigences en matière de protection contre la fumée et l'incendie, force portante, hauteur des pattes 160 mm, pour 2 paumelles env. 160 kilos
- Support de bande 3-D, voir 10.480.
- Vis à tête fraisée Ø 5 mm.
- Autres surfaces disponibles sur demande.

- Norme de sécurité incendie
- vérifié
- Type de pliage
- plié, non pliè
- Fonction panique
- convient pour l'issue de secours
- Marque
- BaSys
- Type de produit
- Fiche pour objets
- Ø de rouleau
- 22 mm
- Hauteur de platine
- 160 mm
- Platines à partir du milieu du rouleau
- 57 / 75 mm
- Poids du vantail max.
- 160 kg
- Modèle
- Objecta
- Matériau
- acier inoxydable
- Finition
- brossé
- Numéro d'usine
- 039093











