Fiche pour objets BASYS OBJECTA® 2082






10.464.13-23






prev
next

Fiche pour objets BASYS OBJECTA® 2082
10.464.
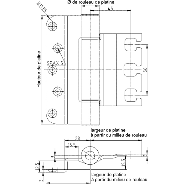
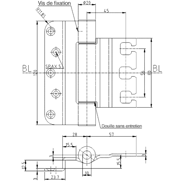
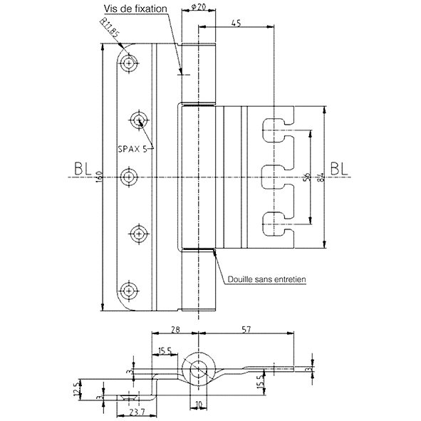
inox brossé, pour portes affleurantes à rainure, sans entretien, avec goupille de sécurité, construit un démontage, épaisseur de platine 3 mm, pour l'utilisation sur des portes dans des voies d'évacuation et de secours avec des exigences en matière de protection contre la fumée et l'incendie, force portante, hauteur de platine 120 mm, avec 2 fiches env. 100 kg,
force portante, hauteur de platine 160 mm, avec 2 fiches env. 120 kg
- Support de bande 3-D, voir 10.480.
- Vis à tête fraisée Ø 5 mm.
- Autres surfaces disponibles sur demande.

- Norme de sécurité incendie
- vérifié
- Type de pliage
- plié
- Fonction panique
- convient pour l'issue de secours
- Marque
- BaSys
- Type de produit
- Fiche pour objets
- Ø de rouleau
- 20 mm
- Platines à partir du milieu du rouleau
- 48,7 / 57 mm
- Modèle
- Objecta
- Matériau
- acier inoxydable
- Finition
- brossé












