Fiche pour objets SIMONSWERK VARIANT VN 2828









10.350.25









prev
next

Fiche pour objets SIMONSWERK VARIANT VN 2828
10.350.
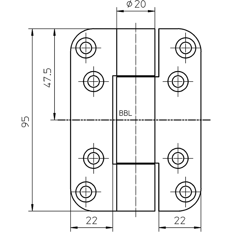
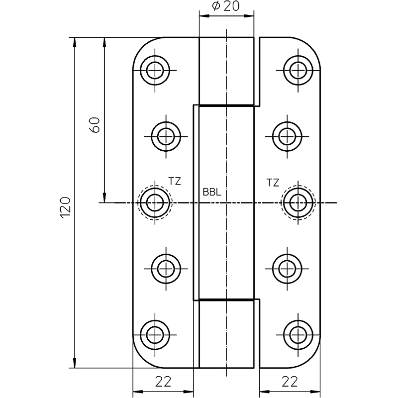
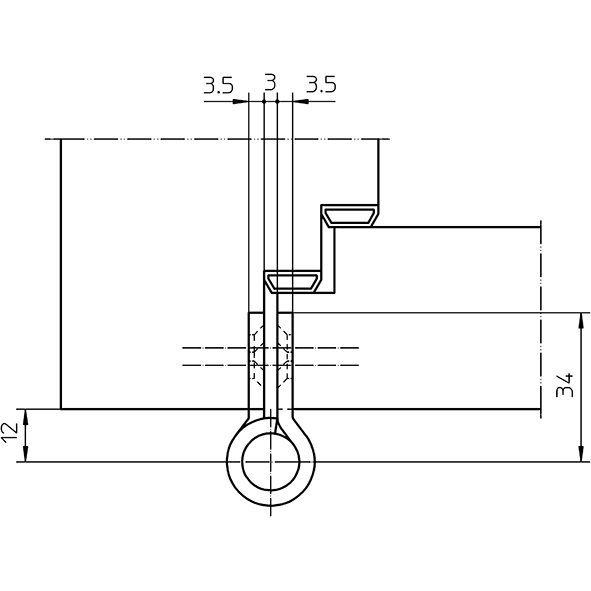
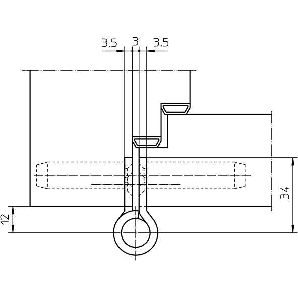
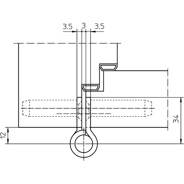
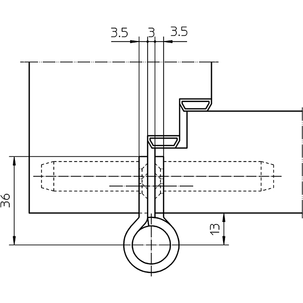
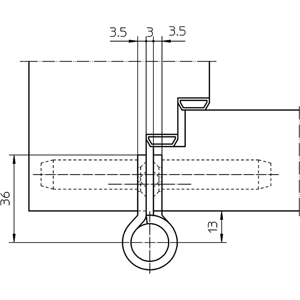
Inox mat, pour portes affleurantes à rainure sur huisseries, tige filetée intérieure anti-torsion, paliers lisses axiaux-radiaux cachés, épaisseur du matériau 3,5 mm, jeu de fixation 3,5 mm, approprié pour l'usage sur le feu et de fumée protection portes selon la norme EN 1634-1,
force portante, Hauteur de platine 95 mm, avec 2 fiches env. 80 kg,
force portante, Hauteur de platine 120 mm, avec 2 fiches env. 100 kg,
force portante, Hauteur de platine 160 mm, avec 2 fiches env. 120 kg

- Norme de sécurité incendie
- vérifié
- Type de pliage
- plié
- Marque
- Simonswerk
- Type de produit
- Fiche pour objets
- Modèle
- Variant VN
- Matériau
- acier inoxydable
- Finition
- mat







