Fiche pour objets SIMONSWERK VARIANT VX 7939 / 160 15/4,5 FD



10.368.79



prev
next

Fiche pour objets SIMONSWERK VARIANT VX 7939 / 160 15/4,5 FD
10.368.
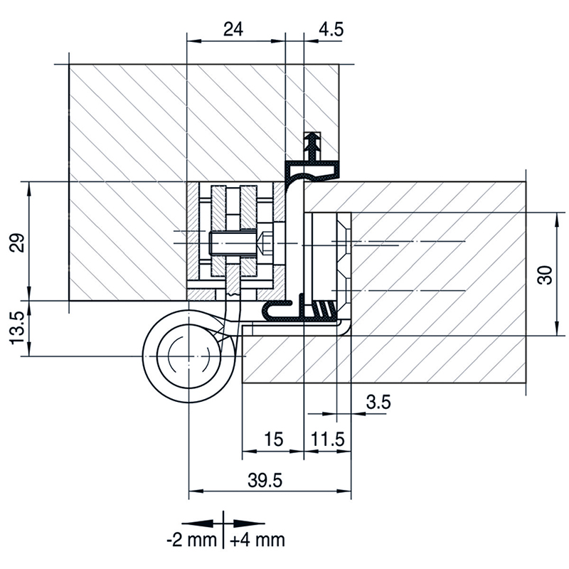
Acier inox mat, pour portes insonorisantes à feuillure avec joint de battant continu sur huisseries en bois, acier et aluminium, tige filetée intérieure anti-torsion, palier lisse axial-radial invisible et sans entretien, épaisseur du matériau 3,5 mm, jeu de butée 4,5 mm, pour feuillure 15 mm, convient pour l'utilisation sur des portes coupe-feu et pare-fumée selon EN 1634-1, préparé pour élément de réception 3D VX, sans élément de réception, capacité de charge pour 2 paumelles env. 200 kilos, sans vis pour plaque de recouvrement
.
- Élément de logement VX, voir 10.378.
- Vis à tête fraisée Ø 3 x 25 mm pour plaque de recouvrement, voir 69.010.15
- Vis à tête fraisée Ø 5 x 50 mm, voir 69.010.60
- Cadre de fraisage universel, voir 99.150.
- Fraise Ø 24 mm.
- Gabarit de fraisage de l'usine.
- Force portante désigne la taille de porte 1000 x 2000 mm avec 2 bandes.

- Norme de sécurité incendie
- vérifié
- Type de pliage
- plié
- Marque
- Simonswerk
- Type de produit
- Fiche pour objets
- Ø de rouleau
- 22,5 mm
- Hauteur de platine
- 160 mm
- Poids du vantail max.
- 200 kg
- Modèle
- Variant VX
- Matériau
- acier inoxydable
- Finition
- mat
- Numéro d'usine
- 5 051733 0 04002












