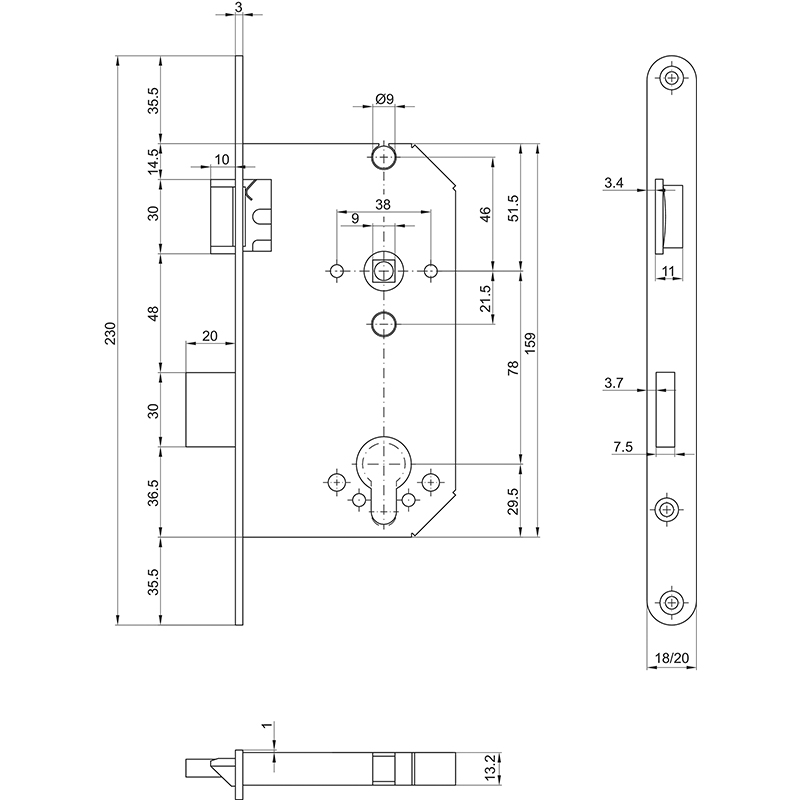
Serrure à entailler anti-panique MSL CASA-ALPHA 1717PBe, anti-panique B, ouverture vers l'intérieur, têtière arrondie 18 / 20 / 22 x 230 mm, inox mat


17.213.22-88



Serrure à entailler anti-panique MSL CASA-ALPHA 1717PBe, anti-panique B, ouverture vers l'intérieur, têtière arrondie 18 / 20 / 22 x 230 mm, inox mat
17.213.
Sur ces serrures encastrées, une béquille est placée aussi bien sur le côté intérieur que sur le côté extérieur de la porte, en état non verrouillé, la porte peut être ouverte des deux côtés, en état verrouillé, la porte ne peut pas être ouverte de l'extérieur, mais de l'intérieur toujours via la béquille (fonction anti-panique ouverture vers l'intérieur), le carré (fouillot) est divisé pour la fonction anti-panique B, la fonction anti-panique convient pour les portes qui doivent être ouvertes temporairement de l'extérieur (service de jour), le service de jour peut être activé par le cylindre, avec un tour de clé dans le sens de l'ouverture jusqu'à la butée, la béquille est alors couplée du côté extérieur
- Ne pas utiliser de cylindre à bouton.
- Côté châssis, utiliser uniquement un contact de fond de pêne MSL 1886.
- Utiliser une tige carrée partagé spécial avec rainure MSL 5968.

- Marque
- MSL
- Type de produit
- Serrures à mortaiser anti-panique
- Entraxe
- 78 mm
- Fouillot
- 9
- Fonction d'évacuation
- B
- Sens d'évacuation
- vers l'intérieur
- Épaisseur de la têtière
- 3 mm
- Nombre de vantaux
- 1 vantail
- Fonction panique
- SN EN 179 / 1125
- Verrouillage
- Manuel
- Norme de sécurité incendie
- vérifié
- Classe de résistance
- ES1 / RC2
- Type de porte
- Bois
- Fonctionnement
- Fonctionnement par la poignée
- Fonction jour ou nuit
- Fonction jour
- Tours
- 1 tour
- Avancement du pêne
- 20 mm
- Matériau
- acier inoxydable, acier
- Surface de la têtière
- acier inoxydable mat
- Système
- Casa-Alpha
- Fonction
- mécanique

adapté pour la protection contre les incendies

convient pour les issues de secours et voies de sauvetage

acier inoxydable
36 exécutions
RZ | 78 | 60 | DIN gauche | 9 | 18 | Rond | B | vers l'intérieur | 230 | 3 | 1 vantail | SN EN 179 / 1125 | Manuel | vérifié | ES1 / RC2 | Bois | Fonctionnement par la poignée | Fonction jour | 1 tour | 20 | acier inoxydable, acier | acier inoxydable mat | 12225082 | Casa-Alpha | mécanique | |
RZ | 78 | 70 | DIN gauche | 9 | 18 | Rond | B | vers l'intérieur | 230 | 3 | 1 vantail | SN EN 179 / 1125 | Manuel | vérifié | ES1 / RC2 | Bois | Fonctionnement par la poignée | Fonction jour | 1 tour | 20 | acier inoxydable, acier | acier inoxydable mat | 12225084 | Casa-Alpha | mécanique | |
RZ | 78 | 80 | DIN gauche | 9 | 18 | Rond | B | vers l'intérieur | 230 | 3 | 1 vantail | SN EN 179 / 1125 | Manuel | vérifié | ES1 / RC2 | Bois | Fonctionnement par la poignée | Fonction jour | 1 tour | 20 | acier inoxydable, acier | acier inoxydable mat | 12225086 | Casa-Alpha | mécanique | |
RZ | 78 | 60 | DIN droite | 9 | 18 | Rond | B | vers l'intérieur | 230 | 3 | 1 vantail | SN EN 179 / 1125 | Manuel | vérifié | ES1 / RC2 | Bois | Fonctionnement par la poignée | Fonction jour | 1 tour | 20 | acier inoxydable, acier | acier inoxydable mat | 12225083 | Casa-Alpha | mécanique | |
RZ | 78 | 70 | DIN droite | 9 | 18 | Rond | B | vers l'intérieur | 230 | 3 | 1 vantail | SN EN 179 / 1125 | Manuel | vérifié | ES1 / RC2 | Bois | Fonctionnement par la poignée | Fonction jour | 1 tour | 20 | acier inoxydable, acier | acier inoxydable mat | 12225085 | Casa-Alpha | mécanique | |
RZ | 78 | 80 | DIN droite | 9 | 18 | Rond | B | vers l'intérieur | 230 | 3 | 1 vantail | SN EN 179 / 1125 | Manuel | vérifié | ES1 / RC2 | Bois | Fonctionnement par la poignée | Fonction jour | 1 tour | 20 | acier inoxydable, acier | acier inoxydable mat | 12225087 | Casa-Alpha | mécanique | |
RZ | 78 | 60 | DIN droite | 9 | 20 | Rond | B | vers l'intérieur | 230 | 3 | 1 vantail | SN EN 179 / 1125 | Manuel | vérifié | ES1 / RC2 | Bois | Fonctionnement par la poignée | Fonction jour | 1 tour | 20 | acier inoxydable, acier | acier inoxydable mat | 12225025 | Casa-Alpha | mécanique | |
RZ | 78 | 70 | DIN droite | 9 | 20 | Rond | B | vers l'intérieur | 230 | 3 | 1 vantail | SN EN 179 / 1125 | Manuel | vérifié | ES1 / RC2 | Bois | Fonctionnement par la poignée | Fonction jour | 1 tour | 20 | acier inoxydable, acier | acier inoxydable mat | 12225027 | Casa-Alpha | mécanique | |
RZ | 78 | 80 | DIN droite | 9 | 20 | Rond | B | vers l'intérieur | 230 | 3 | 1 vantail | SN EN 179 / 1125 | Manuel | vérifié | ES1 / RC2 | Bois | Fonctionnement par la poignée | Fonction jour | 1 tour | 20 | acier inoxydable, acier | acier inoxydable mat | 12225029 | Casa-Alpha | mécanique | |
RZ | 78 | 60 | DIN gauche | 9 | 20 | Rond | B | vers l'intérieur | 230 | 3 | 1 vantail | SN EN 179 / 1125 | Manuel | vérifié | ES1 / RC2 | Bois | Fonctionnement par la poignée | Fonction jour | 1 tour | 20 | acier inoxydable, acier | acier inoxydable mat | 12225026 | Casa-Alpha | mécanique | |
RZ | 78 | 70 | DIN gauche | 9 | 20 | Rond | B | vers l'intérieur | 230 | 3 | 1 vantail | SN EN 179 / 1125 | Manuel | vérifié | ES1 / RC2 | Bois | Fonctionnement par la poignée | Fonction jour | 1 tour | 20 | acier inoxydable, acier | acier inoxydable mat | 12225028 | Casa-Alpha | mécanique | |
RZ | 78 | 80 | DIN gauche | 9 | 20 | Rond | B | vers l'intérieur | 230 | 3 | 1 vantail | SN EN 179 / 1125 | Manuel | vérifié | ES1 / RC2 | Bois | Fonctionnement par la poignée | Fonction jour | 1 tour | 20 | acier inoxydable, acier | acier inoxydable mat | 12225030 | Casa-Alpha | mécanique | |
RZ | 78 | 60 | DIN gauche | 9 | 22 | angulaire | B | vers l'intérieur | 248 | 3 | 1 vantail | SN EN 179 / 1125 | Manuel | vérifié | ES1 / RC2 | Bois | Fonctionnement par la poignée | Fonction jour | 1 tour | 20 | acier inoxydable, acier | acier inoxydable mat | 12225037 | Casa-Alpha | mécanique | |
RZ | 78 | 70 | DIN gauche | 9 | 22 | angulaire | B | vers l'intérieur | 248 | 3 | 1 vantail | SN EN 179 / 1125 | Manuel | vérifié | ES1 / RC2 | Bois | Fonctionnement par la poignée | Fonction jour | 1 tour | 20 | acier inoxydable, acier | acier inoxydable mat | 12225039 | Casa-Alpha | mécanique | |
RZ | 78 | 80 | DIN gauche | 9 | 22 | angulaire | B | vers l'intérieur | 248 | 3 | 1 vantail | SN EN 179 / 1125 | Manuel | vérifié | ES1 / RC2 | Bois | Fonctionnement par la poignée | Fonction jour | 1 tour | 20 | acier inoxydable, acier | acier inoxydable mat | 12225041 | Casa-Alpha | mécanique | |
RZ | 78 | 60 | DIN droite | 9 | 22 | angulaire | B | vers l'intérieur | 248 | 3 | 1 vantail | SN EN 179 / 1125 | Manuel | vérifié | ES1 / RC2 | Bois | Fonctionnement par la poignée | Fonction jour | 1 tour | 20 | acier inoxydable, acier | acier inoxydable mat | 12225038 | Casa-Alpha | mécanique | |
RZ | 78 | 70 | DIN droite | 9 | 22 | angulaire | B | vers l'intérieur | 248 | 3 | 1 vantail | SN EN 179 / 1125 | Manuel | vérifié | ES1 / RC2 | Bois | Fonctionnement par la poignée | Fonction jour | 1 tour | 20 | acier inoxydable, acier | acier inoxydable mat | 12225040 | Casa-Alpha | mécanique | |
RZ | 78 | 80 | DIN droite | 9 | 22 | angulaire | B | vers l'intérieur | 248 | 3 | 1 vantail | SN EN 179 / 1125 | Manuel | vérifié | ES1 / RC2 | Bois | Fonctionnement par la poignée | Fonction jour | 1 tour | 20 | acier inoxydable, acier | acier inoxydable mat | 12225042 | Casa-Alpha | mécanique | |
PZ | 78 | 60 | DIN gauche | 9 | 18 | Rond | B | vers l'intérieur | 230 | 3 | 1 vantail | SN EN 179 / 1125 | Manuel | vérifié | ES1 / RC2 | Bois | Fonctionnement par la poignée | Fonction jour | 1 tour | 20 | acier inoxydable, acier | acier inoxydable mat | 12225088 | Casa-Alpha | mécanique | |
PZ | 78 | 70 | DIN gauche | 9 | 18 | Rond | B | vers l'intérieur | 230 | 3 | 1 vantail | SN EN 179 / 1125 | Manuel | vérifié | ES1 / RC2 | Bois | Fonctionnement par la poignée | Fonction jour | 1 tour | 20 | acier inoxydable, acier | acier inoxydable mat | 12225090 | Casa-Alpha | mécanique | |
PZ | 78 | 80 | DIN gauche | 9 | 18 | Rond | B | vers l'intérieur | 230 | 3 | 1 vantail | SN EN 179 / 1125 | Manuel | vérifié | ES1 / RC2 | Bois | Fonctionnement par la poignée | Fonction jour | 1 tour | 20 | acier inoxydable, acier | acier inoxydable mat | 12225092 | Casa-Alpha | mécanique | |
PZ | 78 | 60 | DIN droite | 9 | 18 | Rond | B | vers l'intérieur | 230 | 3 | 1 vantail | SN EN 179 / 1125 | Manuel | vérifié | ES1 / RC2 | Bois | Fonctionnement par la poignée | Fonction jour | 1 tour | 20 | acier inoxydable, acier | acier inoxydable mat | 12225089 | Casa-Alpha | mécanique | |
PZ | 78 | 70 | DIN droite | 9 | 18 | Rond | B | vers l'intérieur | 230 | 3 | 1 vantail | SN EN 179 / 1125 | Manuel | vérifié | ES1 / RC2 | Bois | Fonctionnement par la poignée | Fonction jour | 1 tour | 20 | acier inoxydable, acier | acier inoxydable mat | 12225091 | Casa-Alpha | mécanique | |
PZ | 78 | 80 | DIN droite | 9 | 18 | Rond | B | vers l'intérieur | 230 | 3 | 1 vantail | SN EN 179 / 1125 | Manuel | vérifié | ES1 / RC2 | Bois | Fonctionnement par la poignée | Fonction jour | 1 tour | 20 | acier inoxydable, acier | acier inoxydable mat | 12225093 | Casa-Alpha | mécanique | |
PZ | 78 | 60 | DIN droite | 9 | 20 | Rond | B | vers l'intérieur | 230 | 3 | 1 vantail | SN EN 179 / 1125 | Manuel | vérifié | ES1 / RC2 | Bois | Fonctionnement par la poignée | Fonction jour | 1 tour | 20 | acier inoxydable, acier | acier inoxydable mat | 12225031 | Casa-Alpha | mécanique | |
PZ | 78 | 70 | DIN droite | 9 | 20 | Rond | B | vers l'intérieur | 230 | 3 | 1 vantail | SN EN 179 / 1125 | Manuel | vérifié | ES1 / RC2 | Bois | Fonctionnement par la poignée | Fonction jour | 1 tour | 20 | acier inoxydable, acier | acier inoxydable mat | 12225033 | Casa-Alpha | mécanique | |
PZ | 78 | 80 | DIN droite | 9 | 20 | Rond | B | vers l'intérieur | 230 | 3 | 1 vantail | SN EN 179 / 1125 | Manuel | vérifié | ES1 / RC2 | Bois | Fonctionnement par la poignée | Fonction jour | 1 tour | 20 | acier inoxydable, acier | acier inoxydable mat | 12225035 | Casa-Alpha | mécanique | |
PZ | 78 | 60 | DIN gauche | 9 | 20 | Rond | B | vers l'intérieur | 230 | 3 | 1 vantail | SN EN 179 / 1125 | Manuel | vérifié | ES1 / RC2 | Bois | Fonctionnement par la poignée | Fonction jour | 1 tour | 20 | acier inoxydable, acier | acier inoxydable mat | 12225032 | Casa-Alpha | mécanique | |
PZ | 78 | 70 | DIN gauche | 9 | 20 | Rond | B | vers l'intérieur | 230 | 3 | 1 vantail | SN EN 179 / 1125 | Manuel | vérifié | ES1 / RC2 | Bois | Fonctionnement par la poignée | Fonction jour | 1 tour | 20 | acier inoxydable, acier | acier inoxydable mat | 12225034 | Casa-Alpha | mécanique | |
PZ | 78 | 80 | DIN gauche | 9 | 20 | Rond | B | vers l'intérieur | 230 | 3 | 1 vantail | SN EN 179 / 1125 | Manuel | vérifié | ES1 / RC2 | Bois | Fonctionnement par la poignée | Fonction jour | 1 tour | 20 | acier inoxydable, acier | acier inoxydable mat | 12225036 | Casa-Alpha | mécanique | |
PZ | 78 | 60 | DIN gauche | 9 | 22 | angulaire | B | vers l'intérieur | 248 | 3 | 1 vantail | SN EN 179 / 1125 | Manuel | vérifié | ES1 / RC2 | Bois | Fonctionnement par la poignée | Fonction jour | 1 tour | 20 | acier inoxydable, acier | acier inoxydable mat | 12225043 | Casa-Alpha | mécanique | |
PZ | 78 | 70 | DIN gauche | 9 | 22 | angulaire | B | vers l'intérieur | 248 | 3 | 1 vantail | SN EN 179 / 1125 | Manuel | vérifié | ES1 / RC2 | Bois | Fonctionnement par la poignée | Fonction jour | 1 tour | 20 | acier inoxydable, acier | acier inoxydable mat | 12225045 | Casa-Alpha | mécanique | |
PZ | 78 | 80 | DIN gauche | 9 | 22 | angulaire | B | vers l'intérieur | 248 | 3 | 1 vantail | SN EN 179 / 1125 | Manuel | vérifié | ES1 / RC2 | Bois | Fonctionnement par la poignée | Fonction jour | 1 tour | 20 | acier inoxydable, acier | acier inoxydable mat | 12225047 | Casa-Alpha | mécanique | |
PZ | 78 | 60 | DIN droite | 9 | 22 | angulaire | B | vers l'intérieur | 248 | 3 | 1 vantail | SN EN 179 / 1125 | Manuel | vérifié | ES1 / RC2 | Bois | Fonctionnement par la poignée | Fonction jour | 1 tour | 20 | acier inoxydable, acier | acier inoxydable mat | 12225044 | Casa-Alpha | mécanique | |
PZ | 78 | 70 | DIN droite | 9 | 22 | angulaire | B | vers l'intérieur | 248 | 3 | 1 vantail | SN EN 179 / 1125 | Manuel | vérifié | ES1 / RC2 | Bois | Fonctionnement par la poignée | Fonction jour | 1 tour | 20 | acier inoxydable, acier | acier inoxydable mat | 12225046 | Casa-Alpha | mécanique | |
PZ | 78 | 80 | DIN droite | 9 | 22 | angulaire | B | vers l'intérieur | 248 | 3 | 1 vantail | SN EN 179 / 1125 | Manuel | vérifié | ES1 / RC2 | Bois | Fonctionnement par la poignée | Fonction jour | 1 tour | 20 | acier inoxydable, acier | acier inoxydable mat | 12225048 | Casa-Alpha | mécanique |

Gâche d'angle MSL B-1854.133, carrée
inox mat, avec découpe pour verrou et bec-de-cane, utilisable en DIN à droite et DIN à gauche, sans vis



Gâche d'angle MSL B-1854.233, arrondie
inox mat, avec découpe pour verrou et bec-de-cane, utilisable en DIN à droite et DIN à gauche, sans vis



Gâche à patte MSL B-1854.313/323, arrondie
acier inoxydable mat, avec découpe pour le pêne dormant et le pêne demi-tour, sans vis



Gâche à fraiser MSL BV-1255 ProfiFlex, réglable préparé pour contracteur 1886
Acier inoxydable mat, module de réglage du pêne dormant en acier nickelé, réglable de -1 mm à +2 mm, avec découpe pour le pêne dormant et le pêne demi-tour, avec vis pour vissage diagonal



Gâche équerre MSL BV-1255.RE1631 VariFlex RENO, carrée, inox mat
inox brossé mat, dimension 300 x 23 / 33 x 2 mm, possibilités de réglage -1 à +3 mm, domaine d'application bois



Gâche équerre MSL BV-1255.RE1632 VariFlex RENO, carrée, inox mat
inox brossé mat, dimension 300 x 23 / 33 x 2 mm, possibilités de réglage -1 à +3 mm, domaine d'application bois



Gâche à talon MSL BV-1255.RE1243 VariFlex, arrondie, inox mat
inox brossé mat, utilisable gauche / droite, dimension 230 x 24/28 x 3 mm, possibilités de réglage -1 à +3 mm, domaine dâpplication bois



Gâche à talon MSL B-1254.333, arrondie, inox mat
inox brossé mat, utilisable gauche / droite



Gâche à entailler MSL BV-1255.RE1441 VariFlex, arrondie, inox
inox brossé mat, dimension 280 x 21 x 2,5 mm, possibilités de réglage -1 à +3 mm, domaine d'application bois



Gâche à entailler MSL BV-1255.RE1442 VariFlex, arrondie, inox mat
inox brossé mat, dimension 280 x 21 x 2,5 mm, possibilités de réglage -1 à +3 mm, domaine d'application bois



Gâche profilée à entailler MSL BV-1255.HE1541, carrée, inox mat
inox brossé mat, dimension 217 x 20/10 x 1,5 mm, possibilités de réglage -1 à +2 mm, domaine d'application bois, approbation après: EN 179



Gâche profilée à entailler MSL BV-1255.HE1542, carrée, inox mat
inox brossé mat, dimension 217 x 20/10 x 1,5 mm, possibilités de réglage -1 à +2 mm, domaine d'application bois, approbation après: EN 179, sans vis



Tige carrée MSL anti-panique 5968, en 2 parties
Acier galvanisé, avec rainure, pour serrure anti-panique à mortaiser avec fouillot en 2 parties



Contact de fond de pêne effeff RF1335U
avec levier de commutation logé pivotant, pour surveiller la position du verrou, état interprétable ou affichable via installation de signalisation de cambriolage ou systèmes de surveillance, montage derrière la découpe du verrou de gâches ou de huisseries acier, câble de raccordement 6 mètres, avec notice de montage et vis, tension de service 30 V CC

