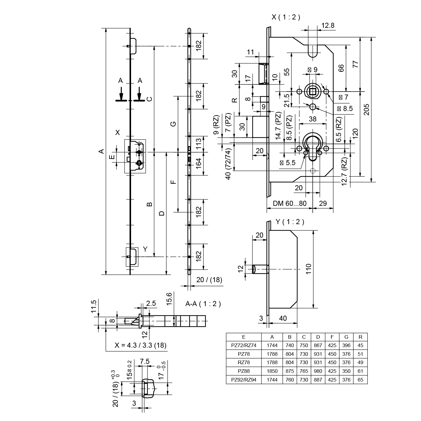
Serrure multipoints GLUTZ MINT 18970 SV ELK PC, autoverrouillage, embrayage électrique, anti-panique C, ouverture vers l'extérieur / l'intérieur, têtière arrondie 18 / 20 x 1788 mm, inox mat


17.124.22-78



Serrure multipoints GLUTZ MINT 18970 SV ELK PC, autoverrouillage, embrayage électrique, anti-panique C, ouverture vers l'extérieur / l'intérieur, têtière arrondie 18 / 20 x 1788 mm, inox mat
17.124.
Serrure multipoints à couplage électrique avec auto-verrouillage intégré, blocage du pêne dormant, commande séquentielle et fonction Panique C, pour portes d'entrée principales et secondaires avec commande électrique de la béquille dans les constructions résidentielles et commerciales, la fonction Panique C avec fouillot de serrure divisé et commande de béquille séparée (extérieur / intérieur) offre la combinaison idéale entre contrôle d'accès et issue de secours, la béquille extérieure peut être enclenchée / déclenchée électriquement ou mécaniquement (ouverture de secours) par le cylindre maintenu, l'accès est contrôlé par un système d'identification, par ex.par ex. RFID, biométrie, système de gestion de bâtiment, etc. ou le cylindre, le mode de fonctionnement (courant de repos / courant de travail), le côté anti-panique et la protection contre les manipulations peuvent être modifiés.
- Nous vous proposons le changement dans notre serrurerie au 00.112.45, n'hésitez pas à nous consulter.
- Exclusivement utiliser la tige carrée anti-panique 5920 17.190.11-17.
- Pour la norme EN 1627 RC3, une protection contre les manipulations est nécessaire, voir 17.121. .
- Pour le changement du pêne de confort / côté panique, une clé dynamométrique est nécessaire, voir 95.561.22 .
- La vis de cylindre n'est pas centrée par rapport à la têtière. Pour déterminer les longueurs de cylindre : Centre de la têtière = centre du cylindre de la serrure.
- Aucun cylindre asymétrique avec entraîneur en L n'est autorisé.
- Pas de douilles de réduction autorisées pour le fouillot/la broche de la serrure.
- Aucun contact mécanique externe de commutation de pêne n'est recommandé.
- Les béquilles doivent être montées de manière pivotante et fixe sur des plaques/rosaces (easyfix®).
- Le kit de protection contre les manipulations 17.121.95 doit impérativement être utilisé.
- Pêne confort DIN droit préréglé / commutable sur gauche.
- Le côté panique est préréglé vers l'extérieur, modifiable vers l'intérieur.

- Marque
- Glutz
- Type de produit
- Verrouillage multipoints anti-panique
- Entraxe
- 78 mm
- Sens de Serrure
- DIN réversible
- Fouillot
- 9
- Type de têtière
- Rond
- Fonction d'évacuation
- C
- Sens d'évacuation
- réversible
- Longueur de têtière
- 1788 mm
- Épaisseur de la têtière
- 3 mm
- Nombre de vantaux
- 1 vantail
- Fonction panique
- SN EN 179 / 1125
- Verrouillage
- Auto-verrouillage
- Norme de sécurité incendie
- vérifié
- Classe de résistance
- ES2 / RC3
- Type de porte
- Bois
- Fonctionnement
- Fonctionnement par la poignée
- Surveillance
- oui
- Tension de service
- 12, 24 ± volts
- Avancement du pêne
- 20 mm
- Matériau
- acier inoxydable, acier
- Surface de la têtière
- acier inoxydable mat
- Système
- MINT
- Fonction
- mécatronique




