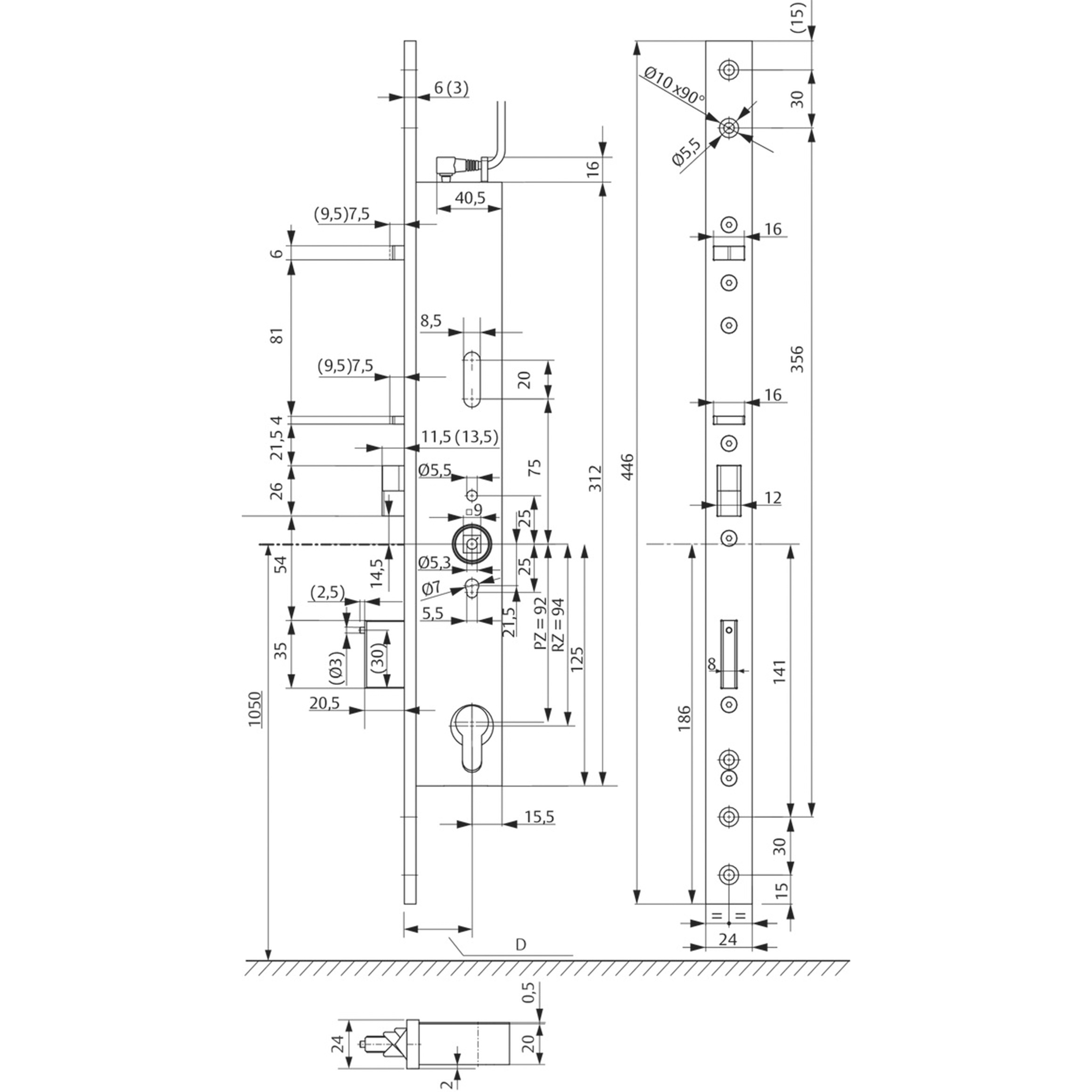
Serrure de sécurité effeff 809N0 à commande bilatéral de béquille, sans fonction anti-panique, têtière d'angle 24 x 446 mm acier chromé


14.131.03-36



Serrure de sécurité effeff 809N0 à commande bilatéral de béquille, sans fonction anti-panique, têtière d'angle 24 x 446 mm acier chromé
14.131.
la serrure 809N0 est une serrure à verouillage automatique pour portes simples avec béquilles extèrieure et intèrierure embrayables électromécaniquement, elle répond aux exigences des portes antieffraction et coupe-feu, qui ne sont pas soumises à des exigences de portes d'issues de secours et anti-panique, une commande d'exécution séquentielle mécanique permet d'éviter de manière fiable le verrouillage involontaire des pênes dormant lorsque la porte est ouverte, la serrure peut être utilisée pour les deux sens DIN (gauche / droite), grâce au pêne croisé universel et au pêne pilote réversible, le mode de fonctionnement à courant de travail ou à courant de repos peut être réglé à la serrure, module électronique de commande intégré pour commande externe ou par la connexion au système de bus Hi/O d'ASSA ABLOY, fonctions de contrôle intégrées avec des capteurs sans contact, pour l'interrogation des états via le module IO OneSystem externe, état de la porte par contact de têtière, position sortie et rentrée du pêne dormant, surveillance du cylindre de fermeture, surveillance du fouillot intérieur et extérieur état du coupleur de béquille embrayé / débrayé
- Gâche à patte, voir 17.326.64

- Marque
- Eff Eff
- Type de produit
- Serrure à mortaiser
- Sens de Serrure
- DIN réversible
- Fouillot
- 9
- Larg. têtière
- 24 mm
- Type de têtière
- angulaire
- Longueur de têtière
- 446 mm
- Épaisseur de la têtière
- 6 mm
- Nombre de vantaux
- 1 vantail
- Verrouillage
- Auto-verrouillage
- Norme de sécurité incendie
- vérifié
- Surveillance
- oui
- Tension de service
- 12, 24 ± volts
- Avancement du pêne
- 20 mm
- Matériau
- Acier
- Surface de la têtière
- chromé
- Fonction
- mécatronique




