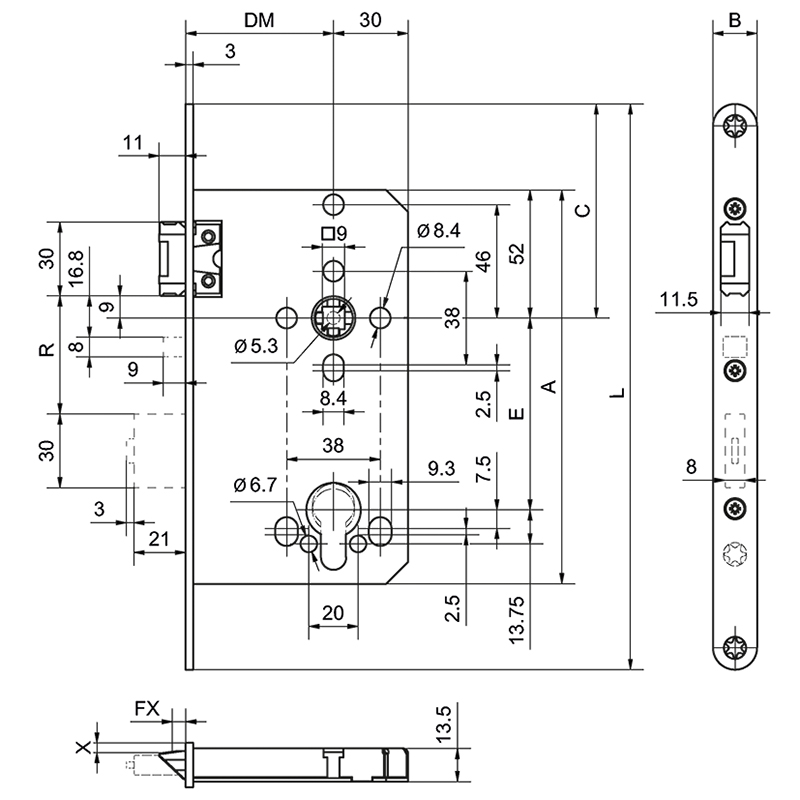
Panik-Einsteckschloss GLUTZ 12511 FB PB, Rundstulp 18 x 230 mm


17.115.23-75



Panik-Einsteckschloss GLUTZ 12511 FB PB, Rundstulp 18 x 230 mm
17.115.
Edelstahl matt, Falleneinsteckschloss mit Fallenblockierung und Panik B-Funktion, Mittiger Schlosskasten, für Verbindungs- oder Fluchttüren kann bei Tages- oder Nachtbetrieb der Aussendrücker über den Zylinder mit einer Schlüsselumdrehung ein- oder ausgekuppelt werden, leises Schliessen der Türe durch die Komfortfalle sowie gedämpfter Fallenausstoss, spielfreie Drückerlagerung durch die zweiteilige durchgehende Klemmnuss, lineares Drückerbetätigungs- und Hochhaltemoment durch neues Federdesign, geprüft nach EN 179, EN 1125, EN 1634, EN 12209
Für Türen mit geringeren Sicherheitsanforderungen (Einbruch), jedoch mit Fallenblockierung, über Panikfunktion B ist Austritt von Panikseite her jederzeit möglich.
Anwendungsgebiet:
Einsatz im Wirtschaftsbau, bspw. Verwaltungsgebäudem Altenheimen, Hotels oder für Türen mit
Anforderungen hinsichtlich Amok-Prävention wie Schulen, Gemeindeverwaltungen, Sozialämter usw.
- Die Umstellung bieten wir Ihnen in unserer Schlosserei an unter der Art. Nr. 00.112.45, bitte Fragen Sie uns an
- Schliessblech siehe 15.180. bis 15.184.
- Für die Umstellung wird ein Drehmomentschlüssel benötigt siehe 95.561.22
- Komfortfalle DIN rechts voreingestellt / auf links umstellbar.
- Panikseite auswärts voreingestellt / auf einwärts umstellbar.
- Drehknopf,- und Freilaufzylinder tauglich.
- Keine Reduktionshülsen für die Schlossnuss/Dorn zugelassen.
- Verwenden Sie ausschliesslich den 5920/59105 HESO Panik Vierkantstift.
- Die Drücker müssen auf Schilder/Rosetten drehbar-fest gelagert sein (easyfix®).

- Marke
- Glutz
- Produktart
- Panik-Falleneinsteckschloss
- Distanz
- 78 mm
- Anschlagsrichtung
- DIN umstellbar
- Nuss
- 9
- Stulpart
- Rund
- Panikfunktion
- B
- Fluchtrichtung
- umstellbar
- Stulplänge
- 230 mm
- Stulpstärke
- 3 mm
- Anzahl Flügel
- 1-flüglig
- Fluchtwegnorm
- SN EN 179 / 1125
- Verriegelung
- Manuell
- Brandschutznorm
- geprüft
- Widerstandsklasse
- ES1 / RC2
- Türart
- Holz
- Bedienung
- Drückerbedient
- Riegelvorschub
- 20 mm
- Material
- Edelstahl, Stahl
- Oberfläche Stulp
- Edelstahl matt
- Fallenfunktion
- Fallenblockierung
- System
- 12er Serie
- Funktion
- mechanisch






