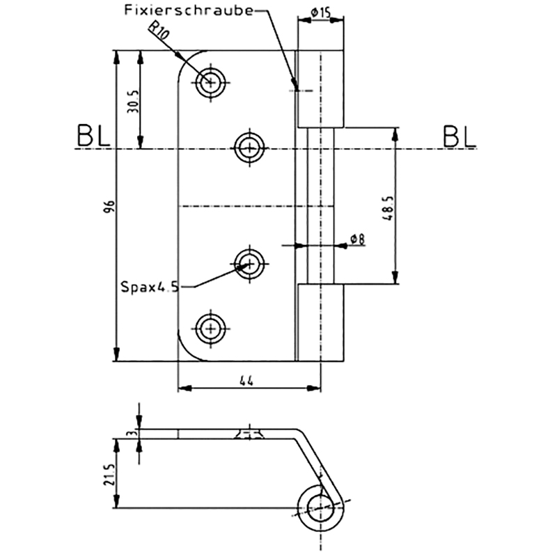
Flügelteil BASYS COMBICA 2655 WF


10.123.03


prev
next

Flügelteil BASYS COMBICA 2655 WF
10.123.
vernickelt, mit wartungsfreier Gleitlagertechnik, für ungefälzte Türen Rollen-Ø 15 mm

- Marke
- BaSys
- Produktart
- Flügelteil
- Material
- Stahl
- Oberfläche
- vernickelt
- Rollen-Ø
- 15 mm
- Höhe
- 96 mm
- Flügelgewicht max.
- 70 kg
- Falzart
- überfälzt
- Modell
- Combica WF
- Fabriknummer
- 022785

