Rahmenteil BASYS COMBICA 2941 FG WF


10.123.11


prev
next

Rahmenteil BASYS COMBICA 2941 FG WF
10.123.
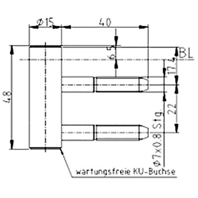
vernickelt, mit wartungsfreier Gleitlagertechnik, für gefälzte und ungefälzte Türen an Holzzargen, Rollen-Ø 15 mm
Geeignet für Holzzargen
- Flügelteil siehe 10.123.03

- Marke
- BaSys
- Produktart
- Rahmenteil
- Material
- Stahl
- Oberfläche
- vernickelt
- Rollen-Ø
- 15 mm
- Falzart
- gefälzt, ungefälzt
- Modell
- Combica WF
- Fabriknummer
- 044755

