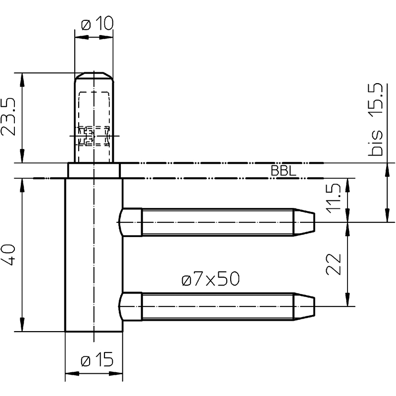
Rahmenteil SIMONSWERK V 3400 WF HV Stop


10.122.17


prev
next

Rahmenteil SIMONSWERK V 3400 WF HV Stop
10.122.
vernickelt, mit wartungsfreier Gleitlagertechnik, 4 mm Höhenverstellung und Bremsfunktion gegen Zu- bzw. Auflaufen der Türen, für gefälzte und ungefälzte Türen an Holzzargen, Rollen-Ø 15 mm
- Flügelteil siehe 10.122.

- Marke
- Simonswerk
- Produktart
- Rahmenteil
- Material
- Stahl
- Rollen-Ø
- 15 mm
- Höhe
- 40 mm
- Rahmenbolzen-Ø
- 7 mm
- Rahmenbolzen
- 50 mm
- Falzart
- gefälzt, ungefälzt
- Modell
- Variant WF



