Objektband BASYS OBJECTA® 2027









10.460.03-23









prev
next

Objektband BASYS OBJECTA® 2027
10.460.
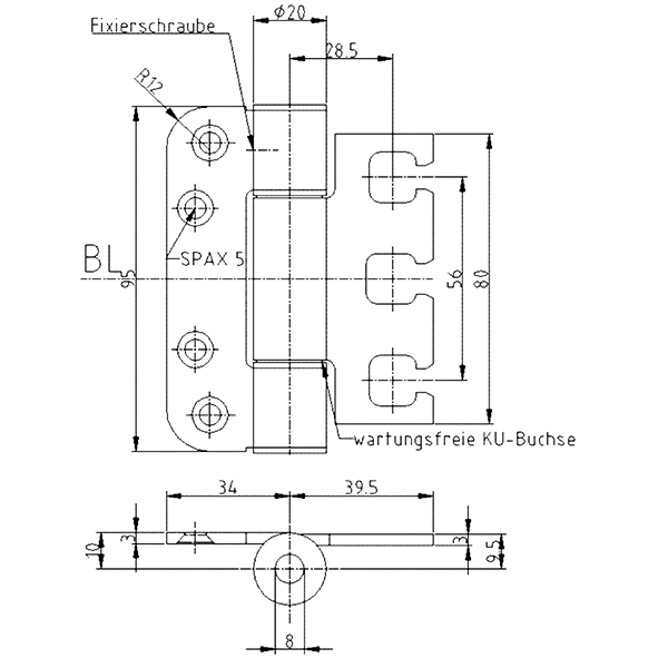
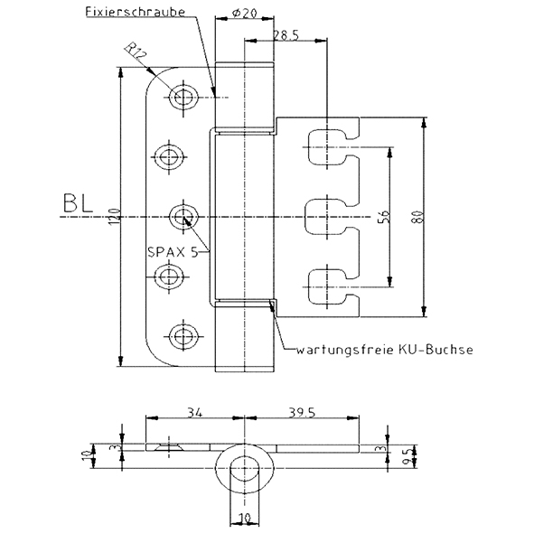
Edelstahl gebürstet, für stumpf einschlagende und gefälzte flächenbündig einschlagende Türen mit geringer Falztiefe, wartungsfrei, mit Stiftsicherung, eingebaut demontierbar, Lappendicke 3 mm, Anschlagluft 13,5 mm, ab Höhe 100 mm: zur Verwendung an Türen in Flucht- und Rettungswegen mit Anforderungen an den Rauch- und Brandschutz, Tragkraft, Lappenhöhe 95 mm, bei 2 Band ca. 80 Kilo, Tragkraft, Lappenhöhe 120 mm, bei 2 Band ca. 100 Kilo, Tragkraft, Lappenhöhe 160 mm, bei 2 Band ca. 120 Kilo
- Bandtaschen 3-D siehe 10.480.
- Schrauben SK Ø 5 mm.

- Brandschutznorm
- geprüft
- Falzart
- gefälzt
- Fluchtwegnorm
- geeignet für Fluchtweg
- Marke
- BaSys
- Produktart
- Objektband
- Rollen-Ø
- 20 mm
- Lappenbreiten ab Mitte Rolle
- 34 / 39,5 mm
- Modell
- Objecta
- Material
- Edelstahl
- Oberfläche
- gebürstet













