Objektband BASYS OBJECTA® 2029









10.460.33-53









prev
next

Objektband BASYS OBJECTA® 2029
10.460.
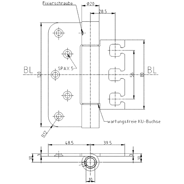
Edelstahl gebürstet, für stumpf einschlagende Türen, wartungsfrei, mit Stiftsicherung, eingebaut demontierbar, Lappendicke 3 mm, Anschlagluft 14 mm, ab Höhe 100 mm: zur Verwendung an Türen in Flucht- und Rettungswegen mit Anforderungen an den Rauch- und Brandschutz, Tragkraft, Lappenhöhe 95 mm, bei 2 Band ca. 80 Kilo, Tragkraft, Lappenhöhe 120 mm, bei 2 Band ca. 100 Kilo, Tragkraft, Lappenhöhe 160 mm, bei 2 Band ca. 120 Kilo
- Bandtaschen 3-D siehe 10.480.
- Schrauben SK Ø 5 mm.
- Weitere Oberflächen auf Anfrage.

- Brandschutznorm
- geprüft
- Fluchtwegnorm
- geeignet für Fluchtweg
- Marke
- BaSys
- Produktart
- Objektband
- Rollen-Ø
- 20 mm
- Lappenbreiten ab Mitte Rolle
- 48,5 / 39,5 mm
- Modell
- Objecta
- Material
- Edelstahl
- Oberfläche
- gebürstet













