Objektband SIMONSWERK VARIANT VN 2929 / 160 Planum



10.352.48



prev
next

Objektband SIMONSWERK VARIANT VN 2929 / 160 Planum
10.352.
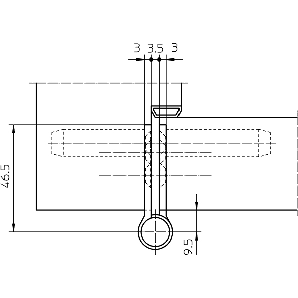
Edelstahl matt, für ungefälzte Türen an Blockzargen und Blendrahmen, innenliegender, verdrehsicherer Schraubstift, verdeckt liegende, wartungsfreie Axial-Radial-Gleitlager, Materialstärke 3 mm, Anschlagluft 3,5 mm, geeignet zur Anwendung an Feuer- und Rauchschutztüren nach EN 1634-1, Tragkraft bei 2 Band ca. 160 Kilo

- Falzart
- ungefälzt
- Marke
- Simonswerk
- Produktart
- Objektband
- Rollen-Ø
- 15 mm
- Lappenhöhe
- 160 mm
- Lappenbreite
- 37 mm
- Flügelgewicht max.
- 160 kg
- Material
- Edelstahl
- Oberfläche
- matt
- Fabriknummer
- VN 2929 / 160





