Objektband SIMONSWERK VARIANT VN 2929









10.352.25









prev
next

Objektband SIMONSWERK VARIANT VN 2929
10.352.
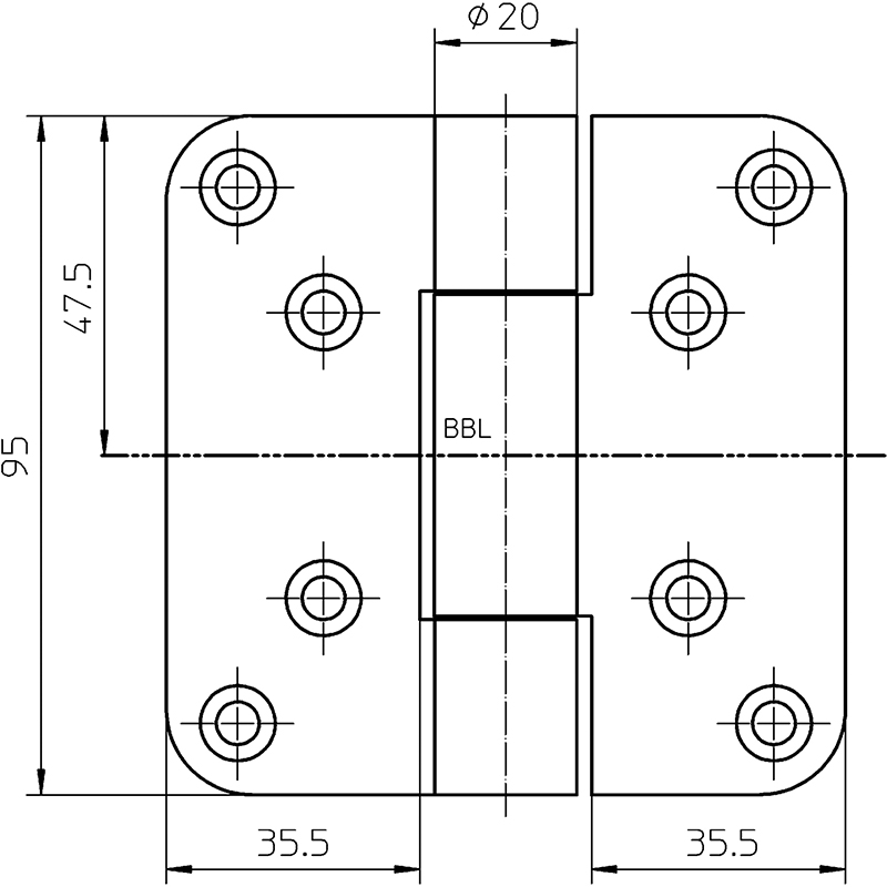
Edelstahl matt, für gefälzte, flächenbündig einschlagende Türen an Blockzargen, innenliegender, verdrehsicherer Schraubstift, verdeckt liegende, wartungsfreie Axial-Radial-Gleitlager, Materialstärke 3,5 mm, Anschlagluft 3,5 mm, geeignet zur Anwendung an Feuer- und Rauchschutztüren nach EN 1634-1,
Tragkraft, Lappenhöhe 95 mm, bei 2 Band ca. 100 Kilo,
Tragkraft, Lappenhöhe 120 mm, bei 2 Band ca. 120 Kilo,
Tragkraft, Lappenhöhe 160 mm, bei 2 Band ca. 160 Kilo

- Marke
- Simonswerk
- Produktart
- Objektband
- Falzart
- ungefälzt
- Brandschutznorm
- geprüft
- Modell
- Variant VN
- Material
- Edelstahl
- Oberfläche
- matt







