Objektband SIMONSWERK VARIANT VX 7939 / 160 15/4,5



10.368.29



prev
next

Objektband SIMONSWERK VARIANT VX 7939 / 160 15/4,5
10.368.
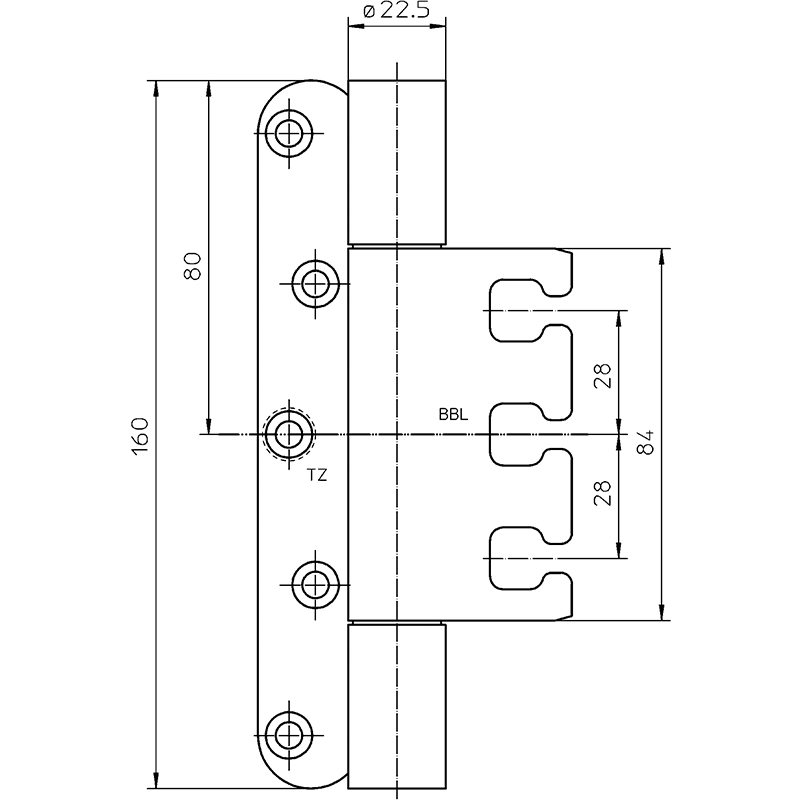
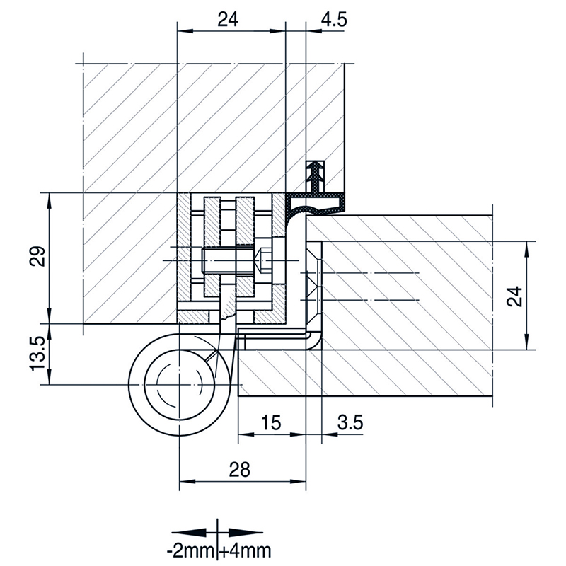
Edelstahl matt, für gefälzt einschlagende Türen an Holz-, Stahl- und Aluminiumzargen, innenliegender, verdrehsicherer Schraubstift, verdeckt liegende, wartungsfreie Axial-Radial-Gleitlager, Materialstärke 3,5 mm, Anschlagluft 4,5 mm, für Falz 15 mm, geeignet zur Anwendung an Feuer- und Rauchschutztüren nach EN 1634-1, vorgerichtet für 3D-Aufnahmeelement VX, Lappenhöhe 160 mm, bei 2 Band ca. 200 Kilo, ohne Aufnahmeelement

- Brandschutznorm
- geprüft
- Falzart
- gefälzt
- Marke
- Simonswerk
- Produktart
- Objektband
- Rollen-Ø
- 22,5 mm
- Lappenhöhe
- 160 mm
- Flügelgewicht max.
- 200 kg
- Modell
- Variant VX
- Material
- Edelstahl
- Oberfläche
- matt
- Fabriknummer
- 5 051731 0 04002














