Objektband SIMONSWERK VARIANT VX 7939






10.368.26






prev
next

Objektband SIMONSWERK VARIANT VX 7939
10.368.
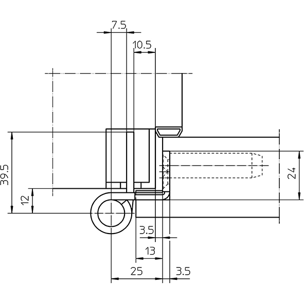
Edelstahl matt, für gefälzt einschlagende Türen an Holz-, Stahl- und Aluminiumzargen, innenliegender, verdrehsicherer Schraubstift, verdeckt liegende, wartungsfreie Axial-Radial-Gleitlager, Materialstärke 3,5 mm, Anschlagluft 3,5 mm, geeignet zur Anwendung an Feuer- und Rauchschutztüren nach EN 1634-1, vorgerichtet für 3D-Aufnahmeelement VX, Tragkraft, ohne Aufnahmeelement
Tragkraft, Lappenhöhe 128 mm, bei 2 Band ca. 120 Kilo,
Tragkraft, Lappenhöhe 160 mm, bei 2 Band ca. 200 Kilo,

- Brandschutznorm
- geprüft
- Falzart
- gefälzt
- Marke
- Simonswerk
- Produktart
- Objektband
- Modell
- Variant VX
- Material
- Edelstahl
- Oberfläche
- matt















