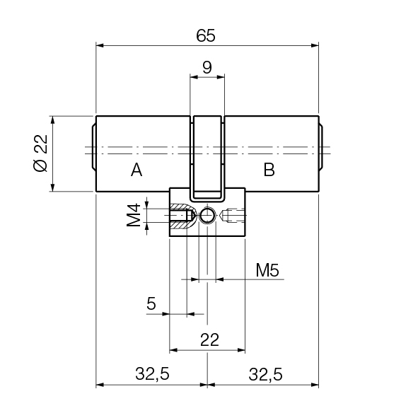
Doppelzylinder KABA 8, 1515, Schliessung 5000


18.132.01-07


prev
next

Doppelzylinder KABA 8, 1515, Schliessung 5000
18.132.
matt vernickelt, Schliessung 5000, ohne Schlüssel, mit Befestigungsschraube 75 mm (für Dornmass 60 + 70 mm)
- Drehknopfzylinder mit Schliessung 5000 siehe 18.152.
- Befestigungsschraube in anderen Längen siehe 67.066.58-75

- Marke
- DormaKaba
- Material
- Messing
- Oberfläche
- vernickelt matt
- Produktart
- Doppelzylinder
- Schliessung
- 5000
- Länge B-Seite
- 32,5 mm
- Verlängerung B-Seite
- 0 mm
- System
- Kaba 8
- Zylinderprofil
- RZ
- Anzahl Schlüssel
- 0 Stück

