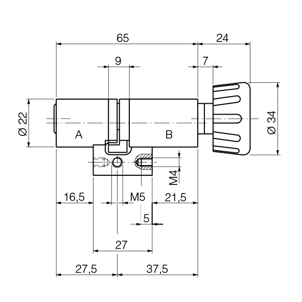
Drehknopfzylinder KABA, M1519 A, asymmetrisch



18.116.01-18.117.08



prev
next

Drehknopfzylinder KABA, M1519 A, asymmetrisch
18.116.
matt vernickelt, verschiedenschliessend, mit Befestigungsschraube 75 mm (für Dornmass 60 + 70 mm), asymmetrische Ausführung: Mitnehmer nicht in der Mitte (Skizze)
- Kaba 20 und Kaba star: mit je 5 Schlüssel.
- Befestigungsschraube in anderen Längen siehe 67.066.58-75

- Marke
- DormaKaba
- Material
- Messing
- Oberfläche
- vernickelt matt
- Produktart
- Drehknopfzylinder
- Schliessung
- verschiedenschliessend
- Verlängerung A-Seite
- 0 mm
- Zylinderprofil
- RZ
- Anzahl Schlüssel
- 5 Stück

