Ferrement de protection plaque intérieure GLUTZ 58540, ES1 - ES3



18.739.14



prev
next

Ferrement de protection plaque intérieure GLUTZ 58540, ES1 - ES3
18.739.
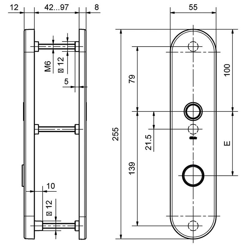
surface en acier inox PVD noir, avec 3 ergots de guidage, pour vissage par paire avec plaque extérieure, utilisable sur portes anti-effraction ES1, combinable avec toutes les poignées Glutz avec col Ø 18 - 22 mm, testé selon EN 1627-1630, sans set de vis
- Garniture à béquilles Savannah 02.004.81-82
- Garniture à béquilles Merkur 02.029.41-82 / 02.060.81-82
- Garniture à béquilles Memphis 02.002.41-81
- Le kit de vis 59200 doit être commandé séparément.

- Marque
- Glutz
- Type de produit
- Plaque
- Forme
- ronde
- Guidage de poignée
- glide easyfix
- Distance
- 78 mm
- Longueur
- 255 mm
- Largeur
- 55 mm
- Épaisseur
- 8 mm
- Embout
- 16 mm
- Classe de résistance
- ES1 / RC2, ES2 / RC3
- Finition
- Noir PVD
- Matériau
- acier inoxydable




