Fiche pour objets SIMONSWERK VARIANT VX 7859 / 160-4 TZ MSTS



10.366.29



prev
next

Fiche pour objets SIMONSWERK VARIANT VX 7859 / 160-4 TZ MSTS
10.366.
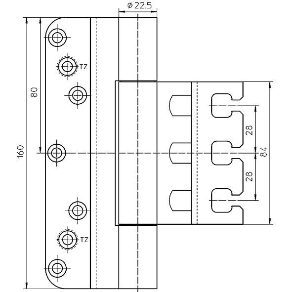
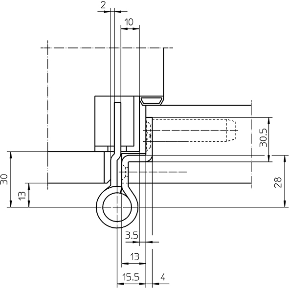
Acier inoxydable mat, avec sécurité à goupille et tourillon porteur, pour portes en bois / aluminium à feuillure, à fleur, s'ouvrant vers l'extérieur, sur huisseries en bois, acier et aluminium, goupille à visser intérieure, anti-torsion, palier lisse axial-radial dissimulé, sans entretien, épaisseur de la patte 4 mm, jeu de butée 3,5 mm, convient pour une utilisation sur des portes coupe-feu et pare-fumée selon EN 1634-1, préparé pour élément de réception 3D VX, force portante avec 2 paumelles env. 120 kilos, sans élément de réception
- Élément de logement VX, voir 10.378.
- Vis à tête fraisée Ø 5 x 50 mm, voir 69.010.60
- Fraise Ø 24 mm.
- Gabarit de fraisage spécial pour partie vantail, fabrication au cas par cas (ces dernières sont généralement fabriquées par le menuisier lui-même).
- Force portante désigne la taille de porte 1000 x 2000 mm avec 2 bandes.

- Norme de sécurité incendie
- vérifié
- Type de pliage
- plié
- Marque
- Simonswerk
- Type de produit
- Fiche pour objets
- Ø de rouleau
- 22,5 mm
- Hauteur de platine
- 160 mm
- Épaisseur de platine
- 4 mm
- Poids du vantail max.
- 120 kg
- Modèle
- Variant VX
- Matériau
- acier inoxydable
- Finition
- mat
- Numéro d'usine
- 5 052562 0 04002











