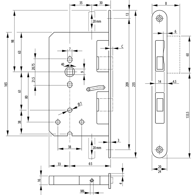
Serrure-crémone anti-panique B 2390, pour serrures à mortaiser anti-panique série 23



17.004.03-26, Figure = DIN à droite



prev
next

Serrure-crémone anti-panique B 2390, pour serrures à mortaiser anti-panique série 23
17.004.
Pour le verrouillage automatique de vantaux fixes de portes d'issues de secours à 2 vantaux
testé selon DIN EN 179 / EN 1125 avec raccord de barre M6 pour verrouillage en haut et en bas
dimension de la broche 65 mm
Têtière en acier inoxydable mat, fouillot 9 mm, sans accessoires
Centre du fouillot jusqu'au bord supérieur du boîtier de serrure 63 mm
- Pour la serrure anti-panique à mortaiser, voir 17.003.
- Position 8 = Serrure de retient B 1595, voir 17.072.01
- Position 7 = Tige de verrouillage haut B 9006, voir 17.072.06-07
- Position 9 = Tige de verrouillage bas B 9006, voir 17.072.14
- Position 6 = Gâche platine en haut B 9000, voir 17.072.21
- Position 6 = Gâche d'angle en haut B 9000, voir 17.072.22
- Position 11 = Gâche au sol B 9009, voir 17.072.23
- Position 11 = Douille à sceller B 9003, voir 17.072.24
- Position 11 = Gâche au sol B 00280, voir 17.072.36
- Position 10 = Plaque de guidage à tige en bas B 9019, voir 17.072.27

- Distance au canon
- 65 mm
- Fouillot
- 9 mm
- Longueur de têtière
- 235 mm
- Matériau
- acier inoxydable mat
- Finition
- acier inoxydable mat
- Position
- 3
- Type de produit
- Crémone
- Image de marque
- BKS
- Marque
- BKS
- Numéro d'usine
- B 2390












